- Service si descărcări
Service Makita – Documentație și fișiere utile
- Fișiere utile pentru sculele Makita
Descarcă documentația oficială Makita
Pentru a te ajuta să utilizezi corect și în siguranță sculele Makita, punem la dispoziție o gamă completă de fișiere și documentații oficiale, direct de la producător.
Pe această pagină poți descărca rapid manuale de utilizare, scheme tehnice, cataloage de piese de schimb și alte documente esențiale pentru întreținerea, identificarea și repararea sculelor Makita.
Toate fișierele sunt oficiale și actualizate, astfel încât să ai acces la informații corecte, indiferent dacă ești utilizator casnic, profesionist sau service autorizat.
Ce tipuri de fișiere poți descărca?
- Manuale de utilizare Makita
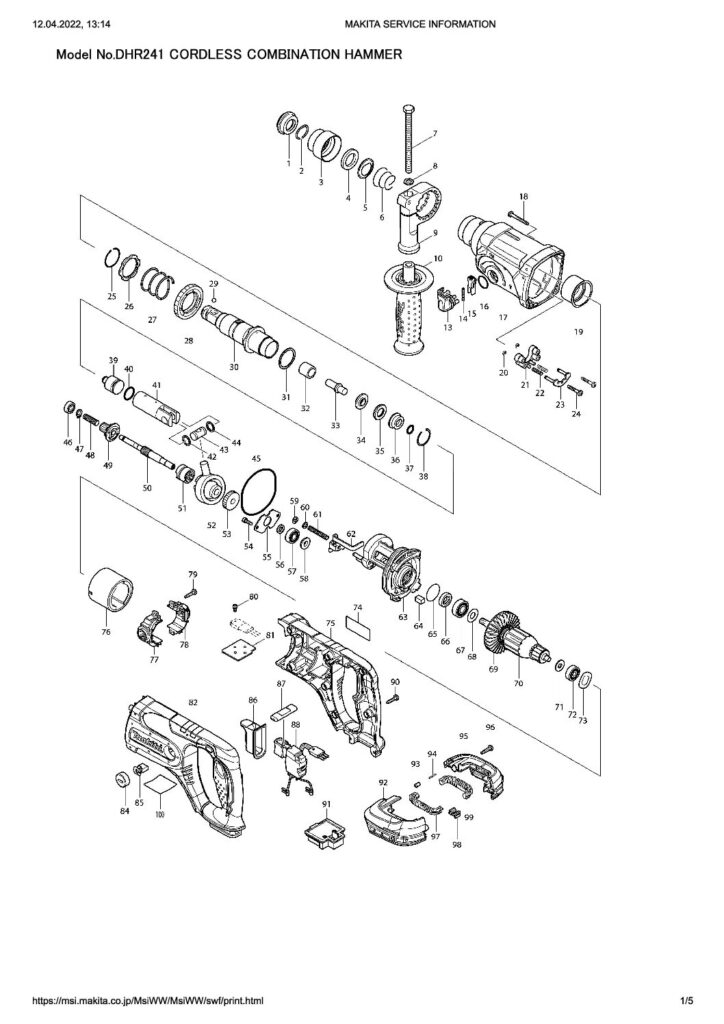
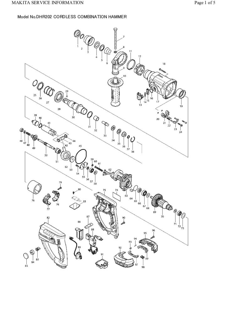
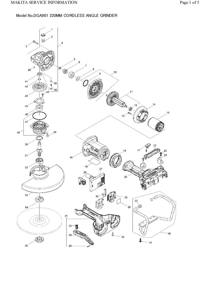
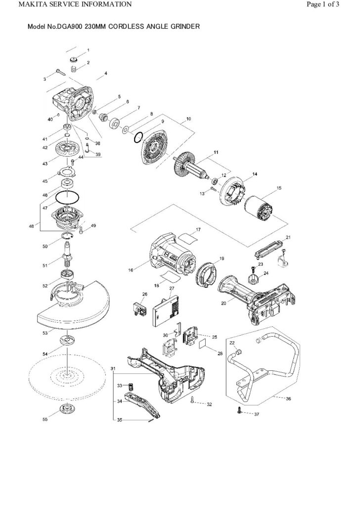
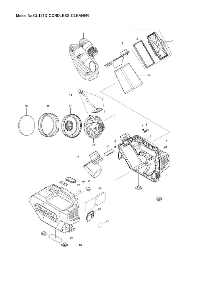
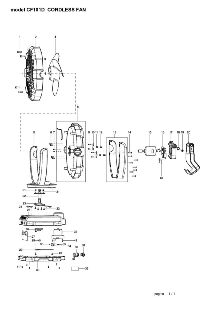
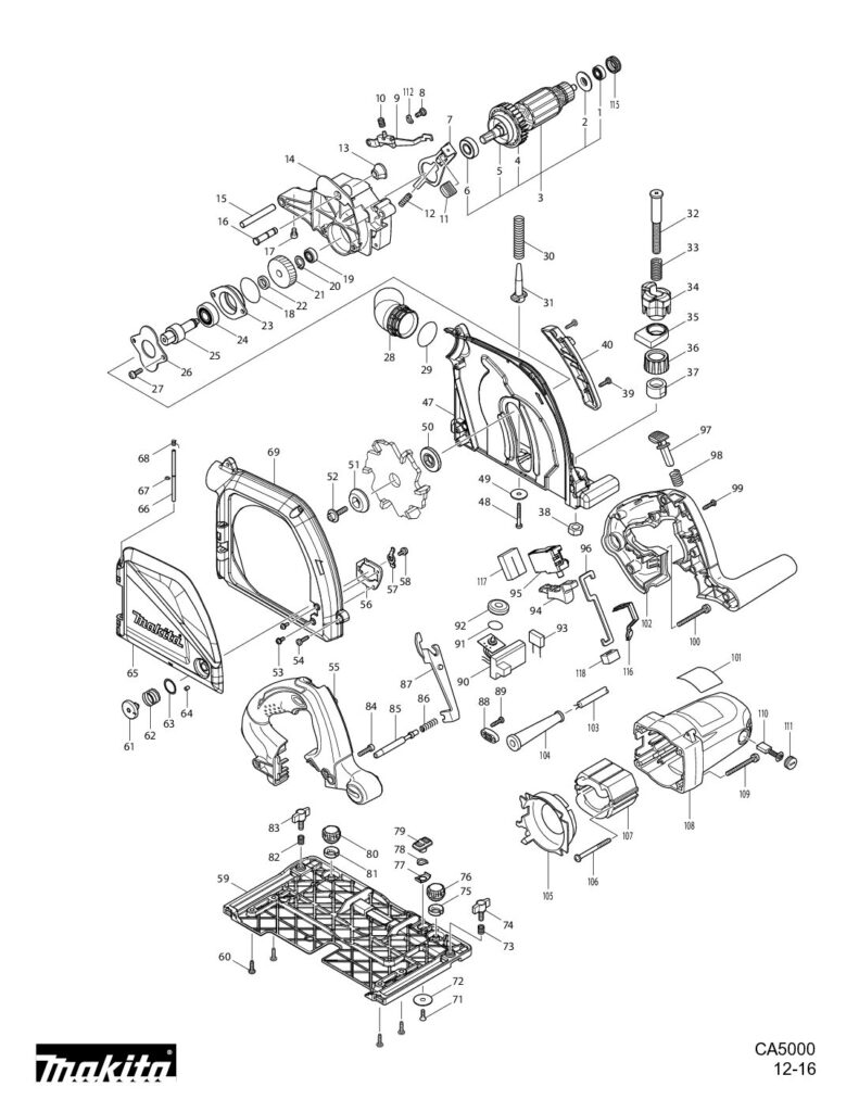
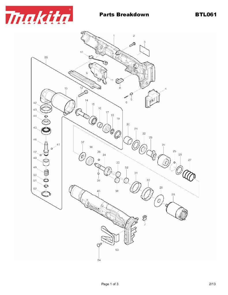
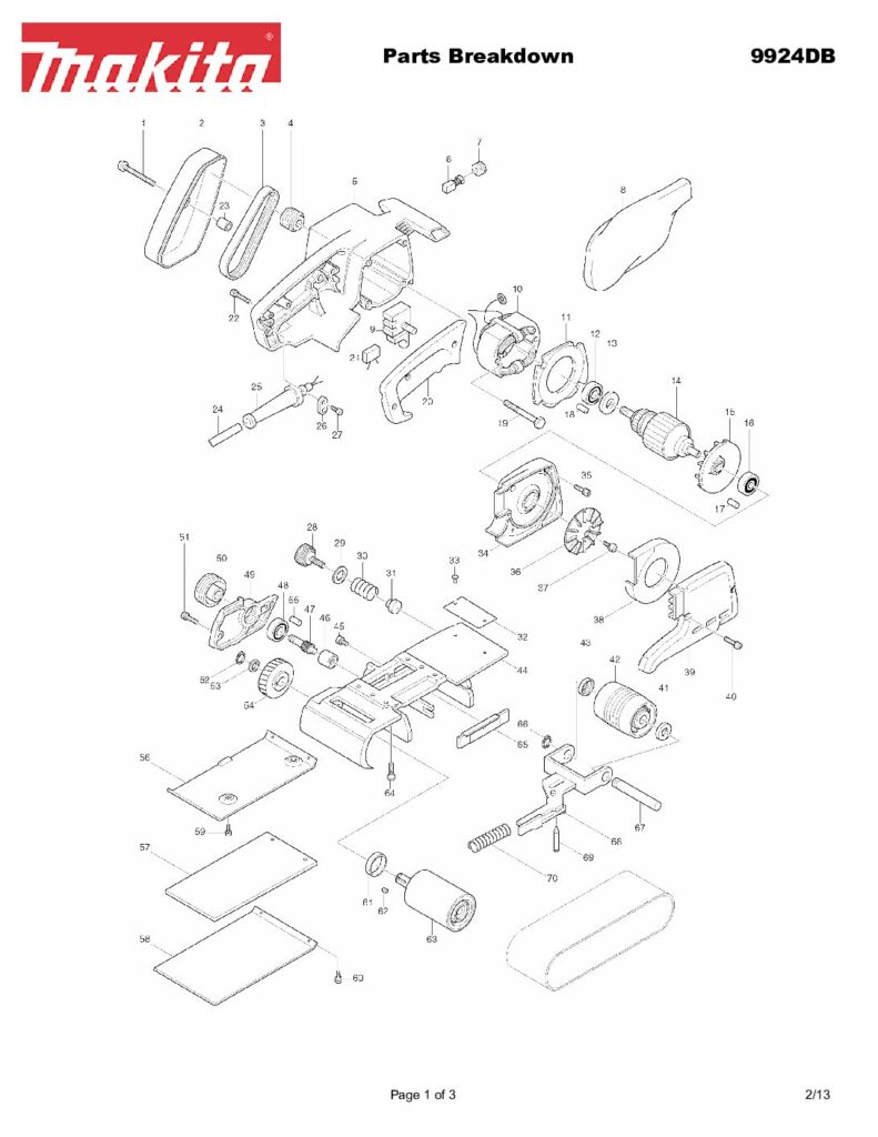
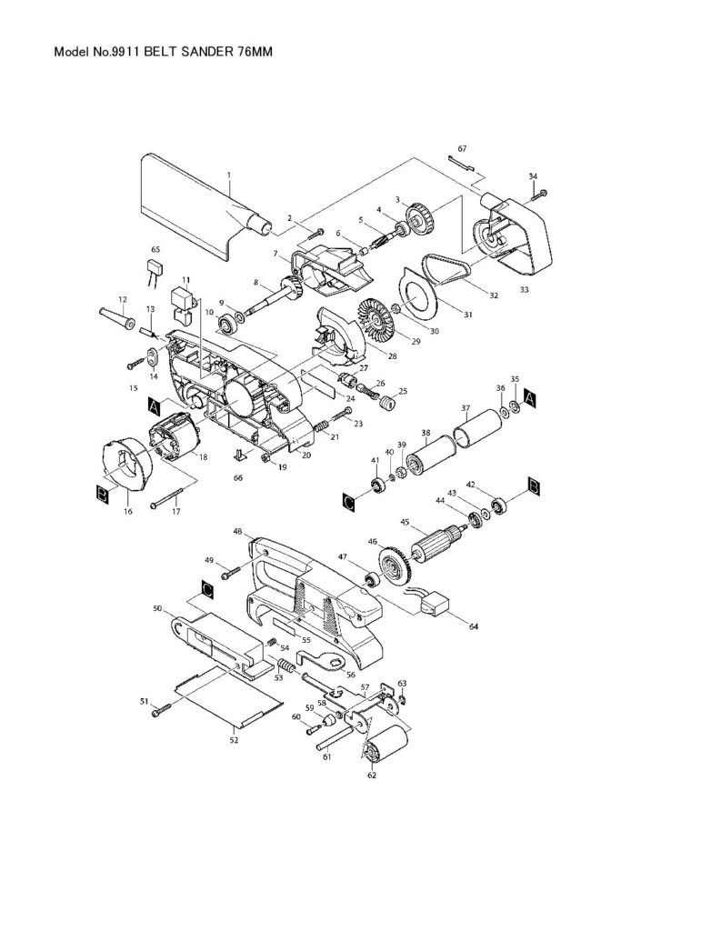
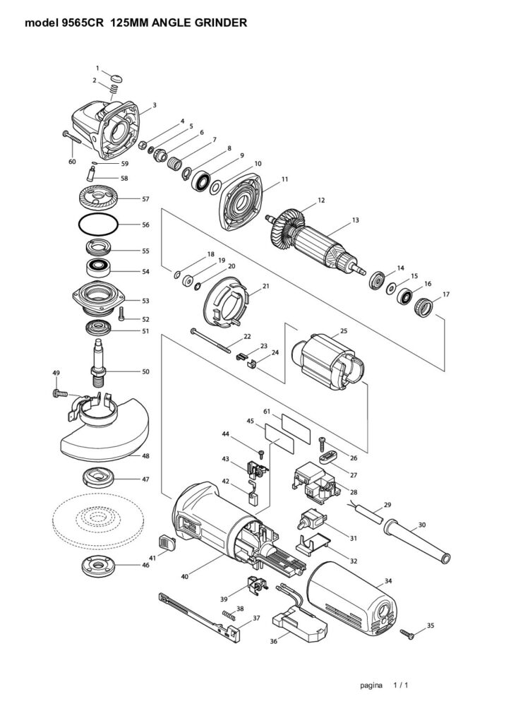
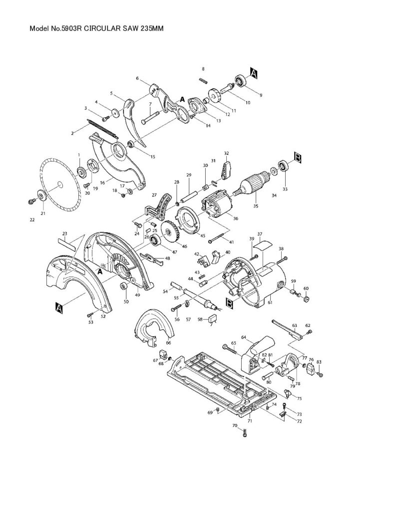
- Scheme tehnice explodate
- Cataloage de piese de schimb
- Instrucțiuni de întreținere și siguranță
- Documentație tehnică specifică fiecărui model
De ce este important să folosești documentația oficială?
- Asiguri utilizarea corectă și sigură a sculelor
- Identifici rapid piesele compatibile
- Eviți montajele greșite sau reparațiile necorespunzătoare
- Menții performanța și durata de viață a echipamentelor
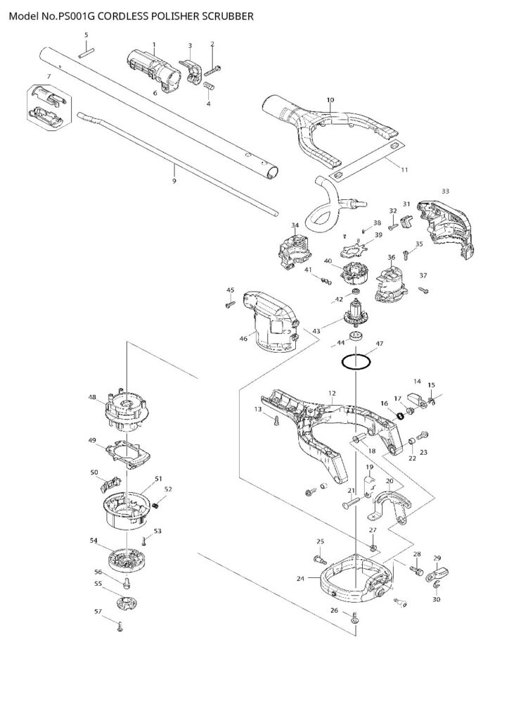
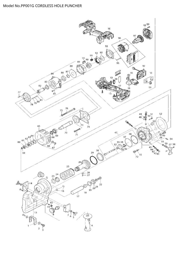
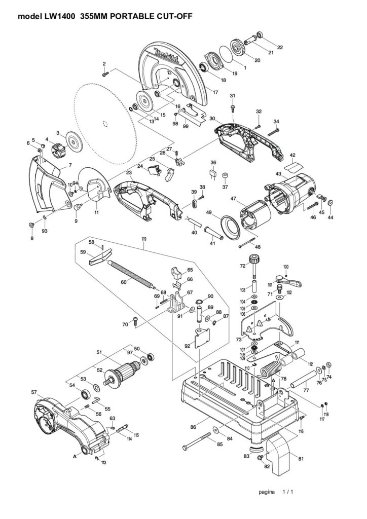
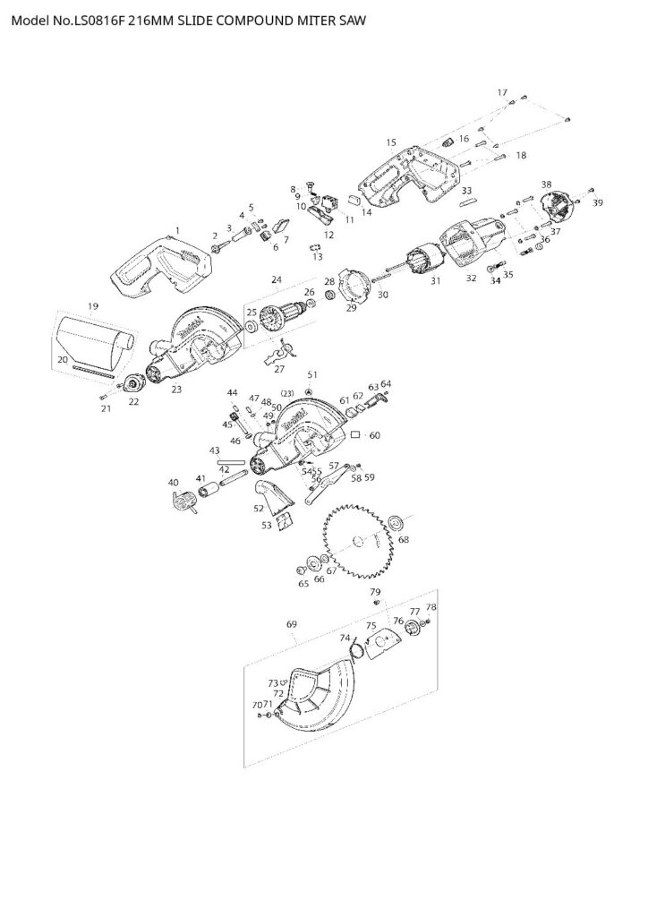
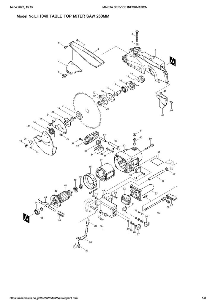
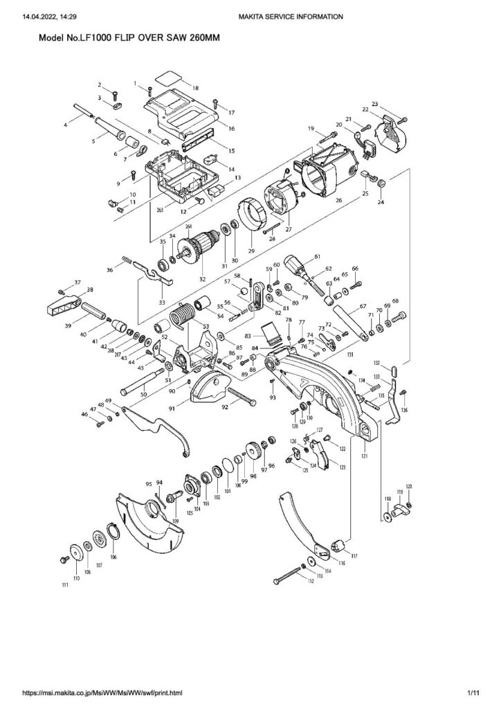
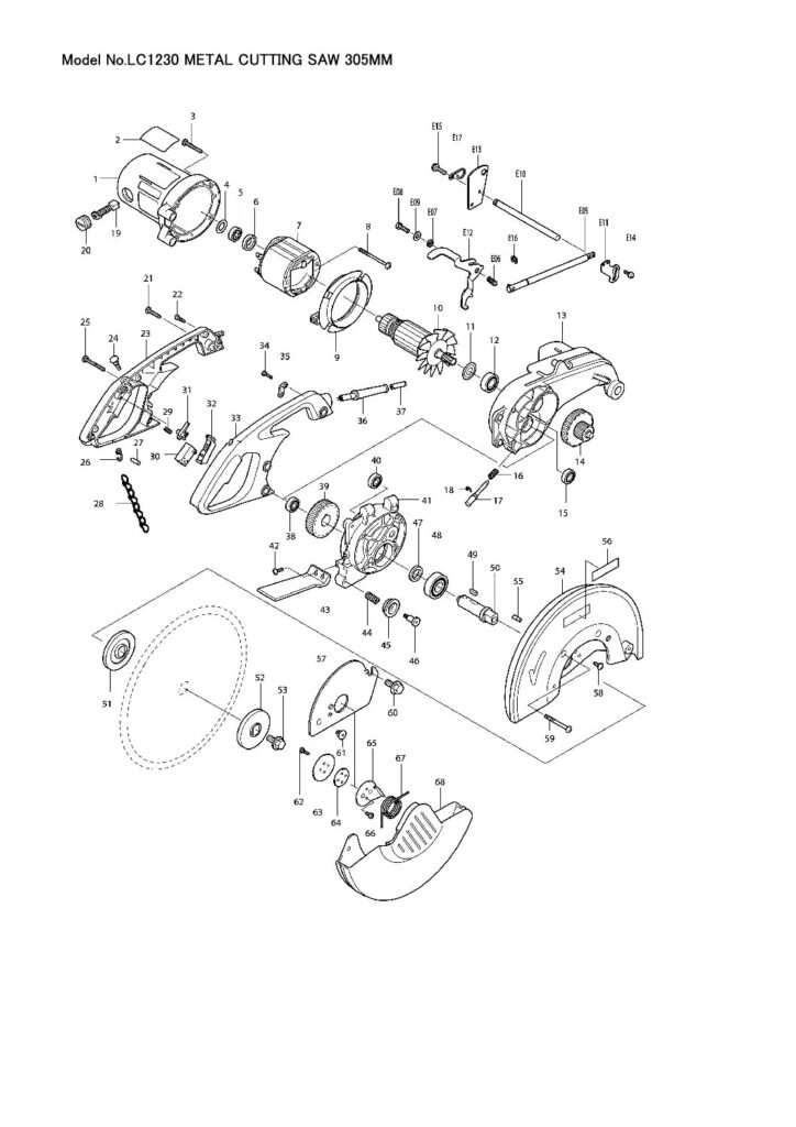
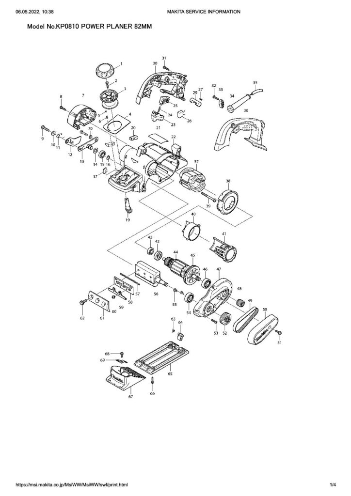
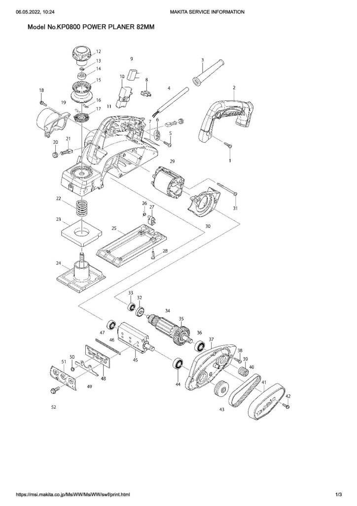
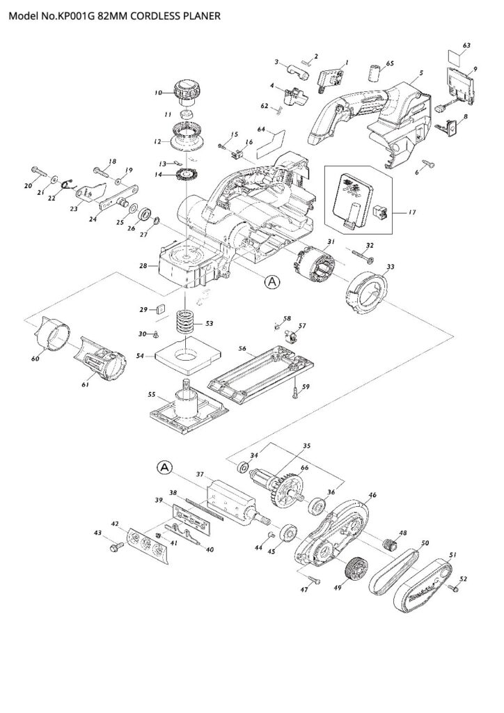
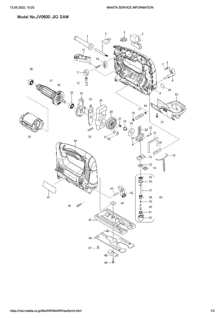
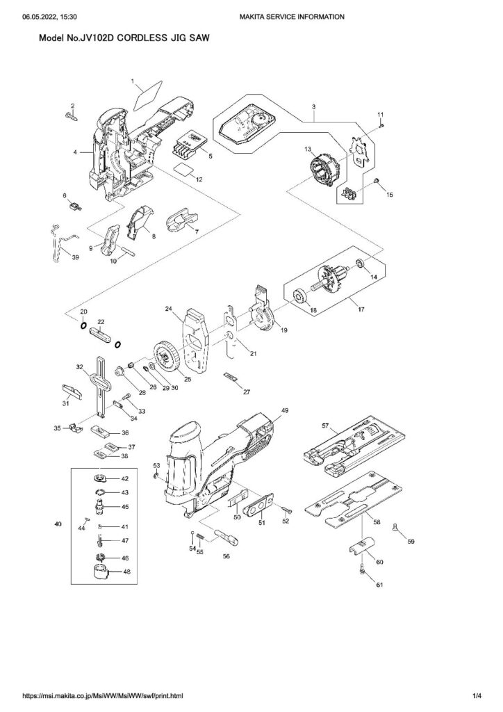
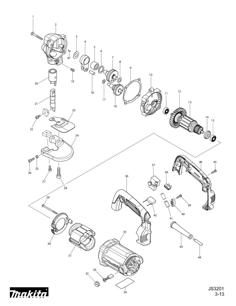
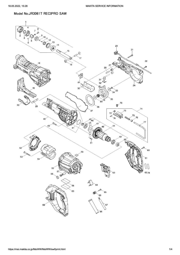
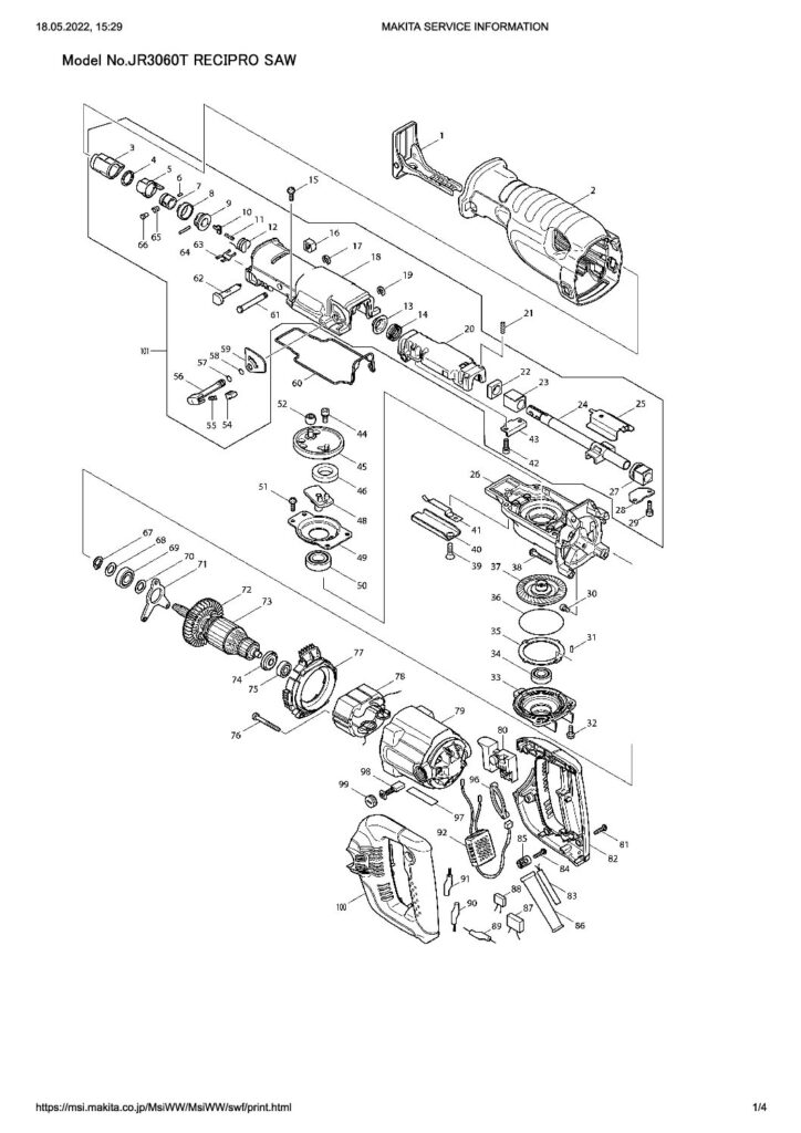
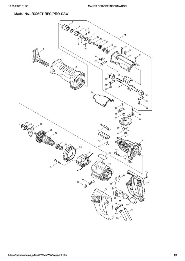
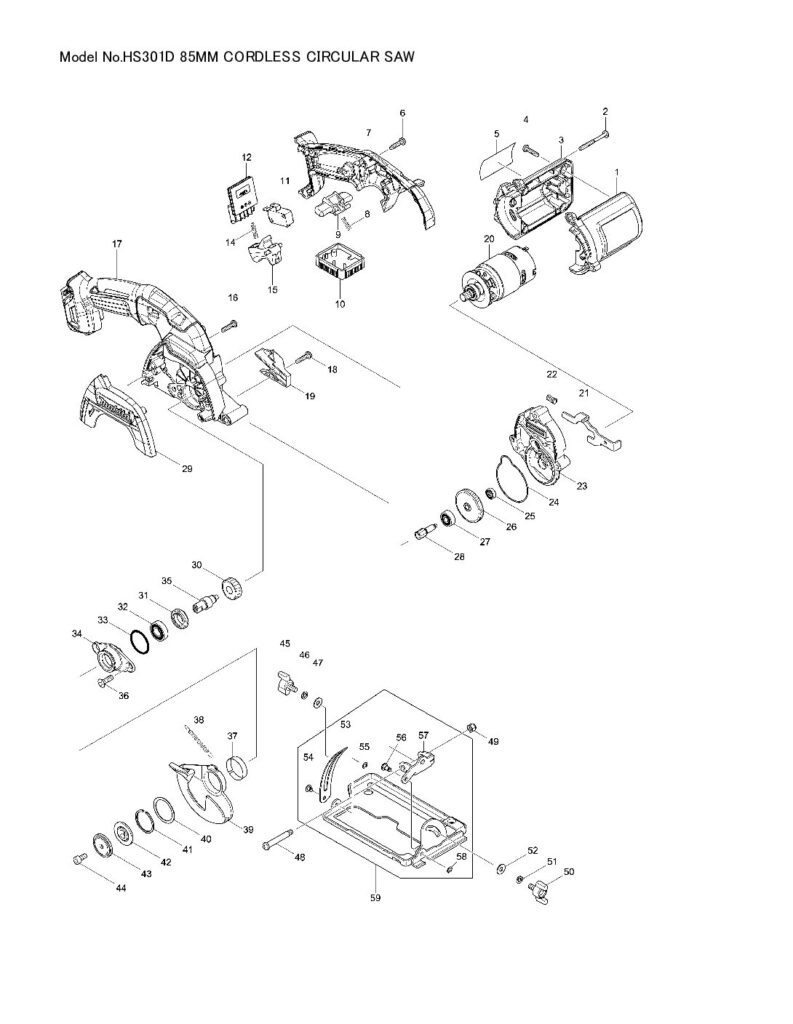
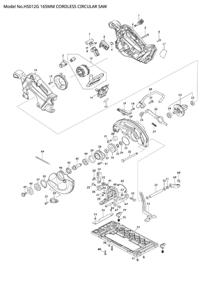
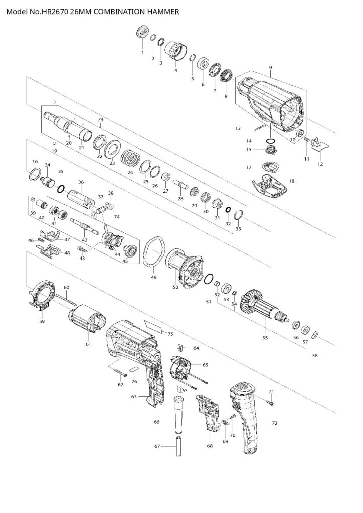
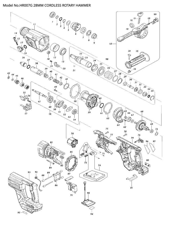
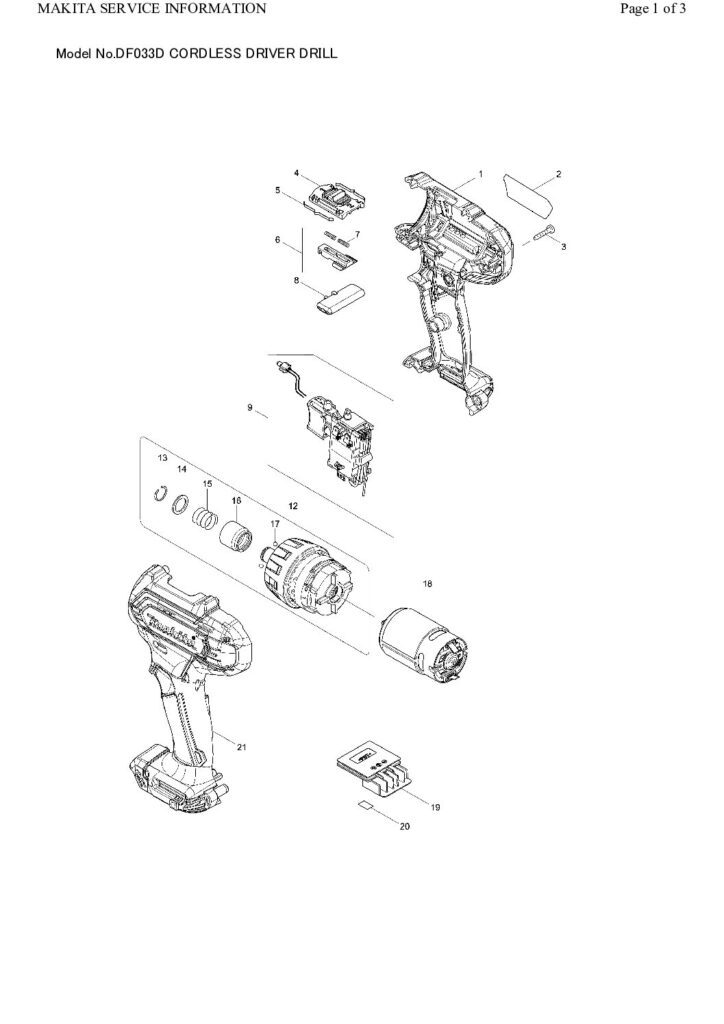
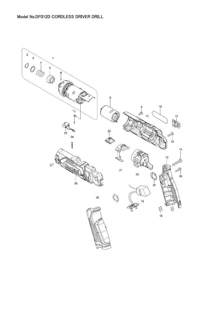
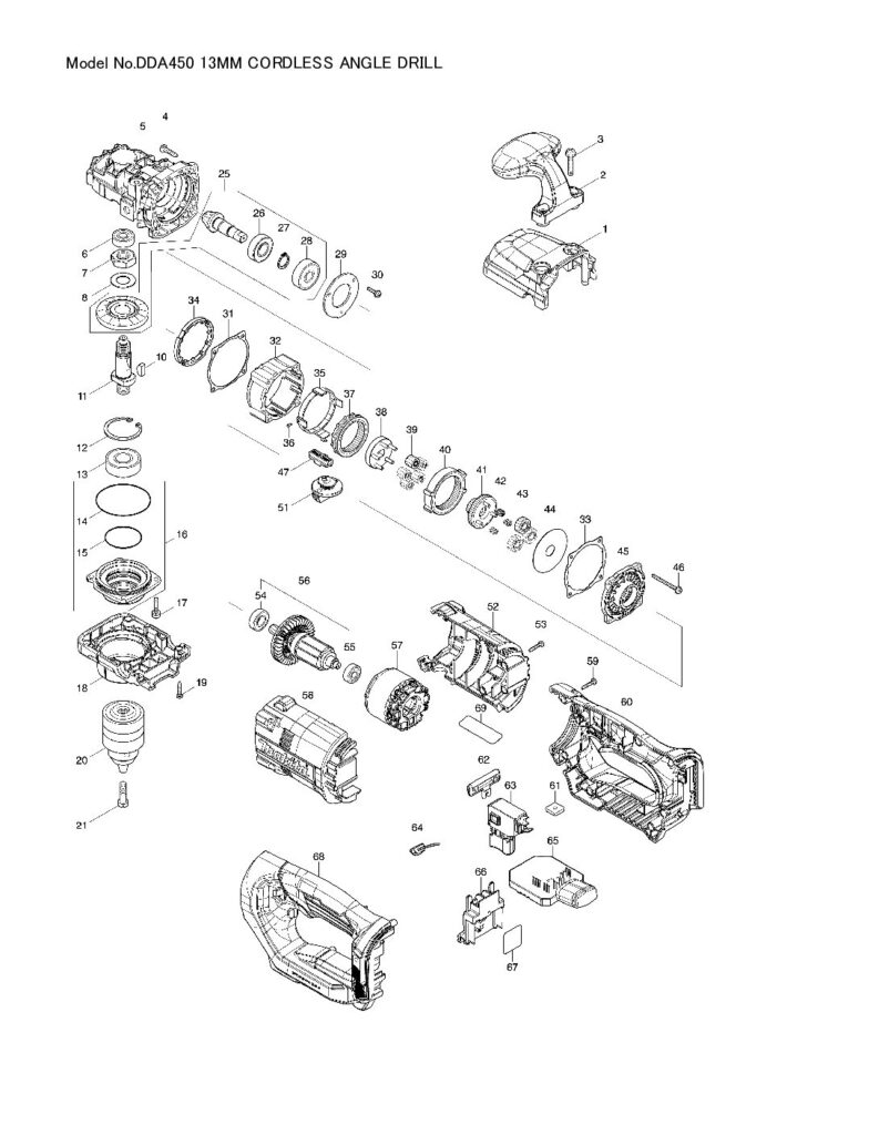
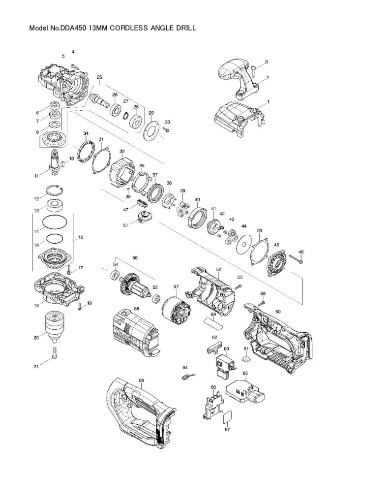
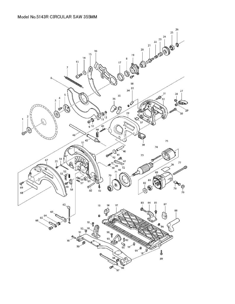
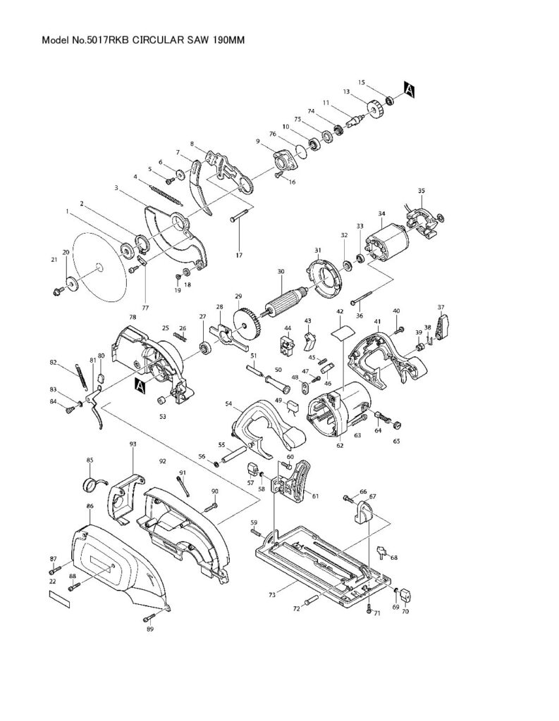
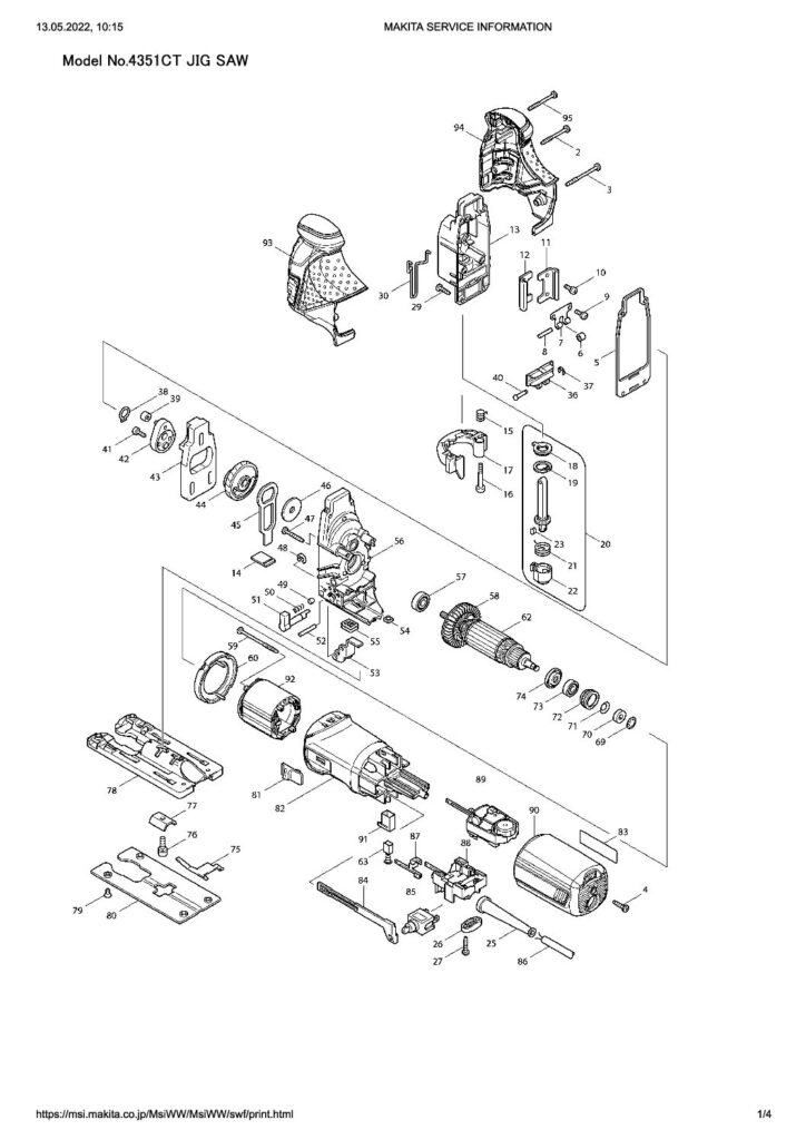
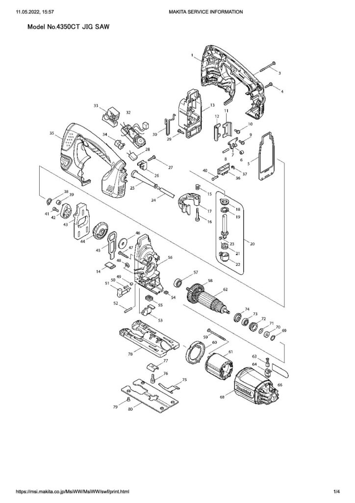
| Image | Titlu | Tip | Dimensiune | Actualizat | Counter | Link |
|---|---|---|---|---|---|---|
|
|
pdf |
689 Ko |
dec. 20, 2025 |
0 |
||
|
|
pdf |
957 Ko |
dec. 20, 2025 |
0 |
||
|
|
pdf |
957 Ko |
dec. 20, 2025 |
0 |
||
|
|
pdf |
4 Mo |
dec. 20, 2025 |
0 |
||
|
|
pdf |
942 Ko |
dec. 20, 2025 |
0 |
||
|
|
pdf |
561 Ko |
dec. 20, 2025 |
0 |
||
|
|
pdf |
944 Ko |
dec. 20, 2025 |
0 |
||
|
|
pdf |
561 Ko |
dec. 20, 2025 |
0 |
||
|
|
pdf |
561 Ko |
dec. 20, 2025 |
0 |
||
|
|
pdf |
561 Ko |
dec. 20, 2025 |
0 |
||
|
|
pdf |
1 Mo |
dec. 20, 2025 |
0 |
||
|
|
pdf |
919 Ko |
dec. 20, 2025 |
0 |
||
|
|
pdf |
890 Ko |
dec. 20, 2025 |
0 |
||
|
|
pdf |
1 Mo |
dec. 20, 2025 |
0 |
||
|
|
pdf |
2 Mo |
dec. 20, 2025 |
0 |
||
|
|
pdf |
2 Mo |
dec. 20, 2025 |
0 |
||
|
|
pdf |
2 Mo |
dec. 20, 2025 |
0 |
||
|
|
pdf |
2 Mo |
dec. 20, 2025 |
0 |
||
|
|
pdf |
2 Mo |
dec. 20, 2025 |
0 |
||
|
|
pdf |
2 Mo |
dec. 20, 2025 |
0 |
||
|
|
pdf |
1 Mo |
dec. 20, 2025 |
0 |
||
|
|
pdf |
527 Ko |
dec. 20, 2025 |
0 |
||
|
|
pdf |
676 Ko |
dec. 20, 2025 |
0 |
||
|
|
pdf |
1 Mo |
dec. 20, 2025 |
0 |
||
|
|
pdf |
772 Ko |
dec. 20, 2025 |
0 |
||
|
|
pdf |
2 Mo |
dec. 20, 2025 |
0 |
||
|
|
pdf |
361 Ko |
dec. 20, 2025 |
0 |
||
|
|
pdf |
408 Ko |
dec. 20, 2025 |
0 |
||
|
|
pdf |
443 Ko |
dec. 20, 2025 |
0 |
||
|
|
pdf |
415 Ko |
dec. 20, 2025 |
0 |
||
|
|
pdf |
901 Ko |
dec. 20, 2025 |
0 |
||
|
|
pdf |
819 Ko |
dec. 20, 2025 |
0 |
||
|
|
pdf |
950 Ko |
dec. 20, 2025 |
0 |
||
|
|
pdf |
958 Ko |
dec. 20, 2025 |
0 |
||
|
|
pdf |
1 Mo |
dec. 20, 2025 |
0 |
||
|
|
pdf |
1 Mo |
dec. 20, 2025 |
0 |
||
|
|
pdf |
895 Ko |
dec. 20, 2025 |
0 |
||
|
|
pdf |
3 Mo |
dec. 20, 2025 |
0 |
||
|
|
pdf |
638 Ko |
dec. 20, 2025 |
0 |
||
|
|
pdf |
991 Ko |
dec. 20, 2025 |
0 |
||
|
|
pdf |
1 Mo |
dec. 20, 2025 |
0 |
||
|
|
pdf |
1 Mo |
dec. 20, 2025 |
0 |
||
|
|
pdf |
683 Ko |
dec. 20, 2025 |
0 |
||
|
|
pdf |
1 Mo |
dec. 20, 2025 |
0 |
||
|
|
pdf |
2 Mo |
dec. 20, 2025 |
0 |
||
|
|
pdf |
783 Ko |
dec. 20, 2025 |
0 |
||
|
|
pdf |
783 Ko |
dec. 20, 2025 |
0 |
||
|
|
pdf |
542 Ko |
dec. 20, 2025 |
0 |
||
|
|
pdf |
826 Ko |
dec. 20, 2025 |
0 |
||
|
|
pdf |
823 Ko |
dec. 20, 2025 |
0 |
||
|
|
pdf |
1 Mo |
dec. 20, 2025 |
0 |
||
|
|
pdf |
833 Ko |
dec. 20, 2025 |
0 |
||
|
|
pdf |
819 Ko |
dec. 20, 2025 |
0 |
||
|
|
pdf |
782 Ko |
dec. 20, 2025 |
0 |
||
|
|
pdf |
775 Ko |
dec. 20, 2025 |
0 |
||
|
|
pdf |
767 Ko |
dec. 20, 2025 |
0 |
||
|
|
pdf |
601 Ko |
dec. 20, 2025 |
0 |
||
|
|
pdf |
592 Ko |
dec. 20, 2025 |
0 |
||
|
|
pdf |
1 Mo |
dec. 20, 2025 |
0 |
||
|
|
pdf |
1 Mo |
dec. 20, 2025 |
0 |
||
|
|
pdf |
1 Mo |
dec. 20, 2025 |
0 |
||
|
|
pdf |
1 Mo |
dec. 20, 2025 |
0 |
||
|
|
pdf |
889 Ko |
dec. 20, 2025 |
0 |
||
|
|
pdf |
889 Ko |
dec. 20, 2025 |
0 |
||
|
|
pdf |
1 Mo |
dec. 20, 2025 |
0 |
||
|
|
pdf |
1 Mo |
dec. 20, 2025 |
0 |
||
|
|
pdf |
1 Mo |
dec. 20, 2025 |
0 |
||
|
|
pdf |
1 Mo |
dec. 20, 2025 |
0 |
||
|
|
pdf |
1 Mo |
dec. 20, 2025 |
0 |
||
|
|
pdf |
1 Mo |
dec. 20, 2025 |
0 |
||
|
|
pdf |
932 Ko |
dec. 20, 2025 |
0 |
||
|
|
pdf |
2 Mo |
dec. 20, 2025 |
0 |
||
|
|
pdf |
2 Mo |
dec. 20, 2025 |
0 |
||
|
|
pdf |
1 Mo |
dec. 20, 2025 |
0 |
||
|
|
pdf |
2 Mo |
dec. 20, 2025 |
0 |
||
|
|
pdf |
2 Mo |
dec. 20, 2025 |
0 |
||
|
|
pdf |
2 Mo |
dec. 20, 2025 |
0 |
||
|
|
pdf |
204 Ko |
dec. 20, 2025 |
0 |
||
|
|
pdf |
775 Ko |
dec. 20, 2025 |
0 |
||
|
|
pdf |
637 Ko |
dec. 20, 2025 |
0 |
||
|
|
pdf |
719 Ko |
dec. 20, 2025 |
0 |
||
|
|
pdf |
696 Ko |
dec. 20, 2025 |
0 |
||
|
|
pdf |
1 Mo |
dec. 20, 2025 |
0 |
||
|
|
pdf |
1 Mo |
dec. 20, 2025 |
0 |
||
|
|
pdf |
1 Mo |
dec. 20, 2025 |
0 |
||
|
|
pdf |
1 Mo |
dec. 20, 2025 |
0 |
||
|
|
pdf |
1 Mo |
dec. 20, 2025 |
0 |
||
|
|
pdf |
1 Mo |
dec. 20, 2025 |
0 |
||
|
|
pdf |
1 Mo |
dec. 20, 2025 |
0 |
||
|
|
pdf |
1 Mo |
dec. 20, 2025 |
0 |
||
|
|
pdf |
1 Mo |
dec. 20, 2025 |
0 |
||
|
|
pdf |
1 Mo |
dec. 20, 2025 |
0 |
||
|
|
pdf |
1 Mo |
dec. 20, 2025 |
0 |
||
|
|
pdf |
1 Mo |
dec. 20, 2025 |
0 |
||
|
|
pdf |
1 Mo |
dec. 20, 2025 |
0 |
||
|
|
pdf |
593 Ko |
dec. 20, 2025 |
0 |
||
|
|
pdf |
592 Ko |
dec. 20, 2025 |
0 |
||
|
|
pdf |
596 Ko |
dec. 20, 2025 |
0 |
||
|
|
pdf |
927 Ko |
dec. 20, 2025 |
0 |
||
|
|
pdf |
566 Ko |
dec. 20, 2025 |
0 |
||
|
|
pdf |
494 Ko |
dec. 20, 2025 |
0 |
||
|
|
pdf |
1 Mo |
dec. 20, 2025 |
0 |
||
|
|
pdf |
847 Ko |
dec. 20, 2025 |
0 |
||
|
|
pdf |
678 Ko |
dec. 20, 2025 |
0 |
||
|
|
pdf |
2 Mo |
dec. 20, 2025 |
0 |
||
|
|
pdf |
2 Mo |
dec. 20, 2025 |
0 |
||
|
|
pdf |
2 Mo |
dec. 20, 2025 |
0 |
||
|
|
pdf |
280 Ko |
dec. 20, 2025 |
0 |
||
|
|
pdf |
241 Ko |
dec. 20, 2025 |
0 |
||
|
|
pdf |
527 Ko |
dec. 20, 2025 |
0 |
||
|
|
pdf |
250 Ko |
dec. 20, 2025 |
0 |
||
|
|
pdf |
703 Ko |
dec. 20, 2025 |
0 |
||
|
|
pdf |
723 Ko |
dec. 20, 2025 |
0 |
||
|
|
pdf |
751 Ko |
dec. 20, 2025 |
0 |
||
|
|
pdf |
343 Ko |
dec. 20, 2025 |
0 |
||
|
|
pdf |
408 Ko |
dec. 20, 2025 |
0 |
||
|
|
pdf |
408 Ko |
dec. 20, 2025 |
0 |
||
|
|
pdf |
739 Ko |
dec. 20, 2025 |
0 |
||
|
|
pdf |
1 Mo |
dec. 20, 2025 |
0 |
||
|
|
pdf |
1 Mo |
dec. 20, 2025 |
0 |
||
|
|
pdf |
492 Ko |
dec. 20, 2025 |
0 |
||
|
|
pdf |
590 Ko |
dec. 20, 2025 |
0 |
||
|
|
pdf |
1.005 Ko |
dec. 20, 2025 |
0 |
||
|
|
pdf |
335 Ko |
dec. 20, 2025 |
0 |
||
|
|
pdf |
323 Ko |
dec. 20, 2025 |
0 |
||
|
|
pdf |
607 Ko |
dec. 20, 2025 |
0 |
||
|
|
pdf |
313 Ko |
dec. 20, 2025 |
0 |
||
|
|
pdf |
333 Ko |
dec. 20, 2025 |
0 |
||
|
|
pdf |
399 Ko |
dec. 20, 2025 |
0 |
||
|
|
pdf |
671 Ko |
dec. 20, 2025 |
0 |
||
|
|
pdf |
362 Ko |
dec. 20, 2025 |
0 |
||
|
|
pdf |
464 Ko |
dec. 20, 2025 |
0 |
||
|
|
pdf |
481 Ko |
dec. 20, 2025 |
0 |
||
|
|
pdf |
639 Ko |
dec. 20, 2025 |
0 |
||
|
|
pdf |
430 Ko |
dec. 20, 2025 |
0 |
||
|
|
pdf |
348 Ko |
dec. 20, 2025 |
0 |
||
|
|
pdf |
469 Ko |
dec. 20, 2025 |
0 |
||
|
|
pdf |
492 Ko |
dec. 20, 2025 |
0 |
||
|
|
pdf |
57 Ko |
dec. 20, 2025 |
0 |
||
|
|
pdf |
469 Ko |
dec. 20, 2025 |
0 |
||
|
|
pdf |
319 Ko |
dec. 20, 2025 |
0 |
||
|
|
pdf |
405 Ko |
dec. 20, 2025 |
0 |
||
|
|
pdf |
802 Ko |
dec. 20, 2025 |
0 |
||
|
|
pdf |
256 Ko |
dec. 20, 2025 |
0 |
||
|
|
pdf |
555 Ko |
dec. 20, 2025 |
0 |
||
|
|
pdf |
555 Ko |
dec. 20, 2025 |
0 |
||
|
|
pdf |
639 Ko |
dec. 20, 2025 |
0 |
||
|
|
pdf |
559 Ko |
dec. 20, 2025 |
0 |
||
|
|
pdf |
1 Mo |
dec. 20, 2025 |
0 |
||
|
|
pdf |
451 Ko |
dec. 20, 2025 |
0 |
||
|
|
pdf |
1 Mo |
dec. 20, 2025 |
0 |
||
|
|
pdf |
452 Ko |
dec. 20, 2025 |
0 |
||
|
|
pdf |
448 Ko |
dec. 20, 2025 |
0 |
||
|
|
pdf |
997 Ko |
dec. 20, 2025 |
0 |
||
|
|
pdf |
440 Ko |
dec. 20, 2025 |
0 |
||
|
|
pdf |
852 Ko |
dec. 20, 2025 |
0 |
||
|
|
pdf |
616 Ko |
dec. 20, 2025 |
0 |
||
|
|
pdf |
3 Mo |
dec. 20, 2025 |
0 |
||
|
|
pdf |
389 Ko |
dec. 20, 2025 |
0 |
||
|
|
pdf |
774 Ko |
dec. 20, 2025 |
0 |
||
|
|
pdf |
917 Ko |
dec. 20, 2025 |
0 |
||
|
|
pdf |
698 Ko |
dec. 20, 2025 |
0 |
||
|
|
pdf |
2 Mo |
dec. 20, 2025 |
0 |
||
|
|
pdf |
855 Ko |
dec. 20, 2025 |
0 |
||
|
|
pdf |
697 Ko |
dec. 20, 2025 |
0 |
||
|
|
pdf |
452 Ko |
dec. 20, 2025 |
0 |
||
|
|
pdf |
2 Mo |
dec. 20, 2025 |
0 |
||
|
|
pdf |
1 Mo |
dec. 20, 2025 |
0 |
||
|
|
pdf |
452 Ko |
dec. 20, 2025 |
0 |
||
|
|
pdf |
623 Ko |
dec. 20, 2025 |
0 |
||
|
|
pdf |
629 Ko |
dec. 20, 2025 |
0 |
||
|
|
pdf |
620 Ko |
dec. 20, 2025 |
0 |
||
|
|
pdf |
661 Ko |
dec. 20, 2025 |
0 |
||
|
|
pdf |
628 Ko |
dec. 20, 2025 |
0 |
||
|
|
pdf |
641 Ko |
dec. 20, 2025 |
0 |
||
|
|
pdf |
609 Ko |
dec. 20, 2025 |
0 |
||
|
|
pdf |
287 Ko |
dec. 20, 2025 |
0 |
||
|
|
pdf |
1 Mo |
dec. 20, 2025 |
0 |
||
|
|
odt |
18 Ko |
dec. 20, 2025 |
0 |
||
|
|
pdf |
763 Ko |
dec. 20, 2025 |
0 |
||
|
|
pdf |
496 Ko |
dec. 20, 2025 |
0 |
||
|
|
pdf |
379 Ko |
dec. 20, 2025 |
0 |
||
|
|
pdf |
927 Ko |
dec. 20, 2025 |
0 |
||
|
|
pdf |
812 Ko |
dec. 20, 2025 |
0 |
||
|
|
pdf |
542 Ko |
dec. 20, 2025 |
0 |
||
|
|
pdf |
3 Mo |
dec. 20, 2025 |
0 |
||
|
|
pdf |
579 Ko |
dec. 20, 2025 |
0 |
||
|
|
pdf |
405 Ko |
dec. 20, 2025 |
0 |
||
|
|
pdf |
551 Ko |
dec. 20, 2025 |
0 |
||
|
|
pdf |
408 Ko |
dec. 20, 2025 |
0 |
||
|
|
pdf |
1 Mo |
dec. 20, 2025 |
0 |
||
|
|
pdf |
522 Ko |
dec. 20, 2025 |
0 |
||
|
|
pdf |
397 Ko |
dec. 20, 2025 |
0 |
||
|
|
pdf |
862 Ko |
dec. 20, 2025 |
0 |
||
|
|
pdf |
2 Mo |
dec. 20, 2025 |
0 |
||
|
|
pdf |
802 Ko |
dec. 20, 2025 |
0 |
||
|
|
pdf |
367 Ko |
dec. 20, 2025 |
0 |
||
|
|
pdf |
3 Mo |
dec. 20, 2025 |
0 |
||
|
|
pdf |
2 Mo |
dec. 20, 2025 |
0 |
||
|
|
pdf |
2 Mo |
dec. 20, 2025 |
0 |
||
|
|
pdf |
8 Mo |
dec. 20, 2025 |
0 |
||
|
|
pdf |
2 Mo |
dec. 20, 2025 |
0 |
||
|
|
pdf |
2 Mo |
dec. 20, 2025 |
0 |
||
|
|
pdf |
2 Mo |
dec. 20, 2025 |
0 |
||
|
|
pdf |
3 Mo |
dec. 20, 2025 |
0 |
||
|
|
pdf |
3 Mo |
dec. 20, 2025 |
0 |
||
|
|
pdf |
3 Mo |
dec. 20, 2025 |
0 |
||
|
|
pdf |
3 Mo |
dec. 20, 2025 |
0 |
||
|
|
pdf |
2 Mo |
dec. 20, 2025 |
0 |
||
|
|
pdf |
3 Mo |
dec. 20, 2025 |
0 |
||
|
|
pdf |
2 Mo |
dec. 20, 2025 |
0 |
||
|
|
pdf |
4 Mo |
dec. 20, 2025 |
0 |
||
|
|
pdf |
902 Ko |
dec. 20, 2025 |
0 |
||
|
|
pdf |
945 Ko |
dec. 20, 2025 |
0 |
||
|
|
pdf |
928 Ko |
dec. 20, 2025 |
0 |
||
|
|
pdf |
852 Ko |
dec. 20, 2025 |
0 |
||
|
|
pdf |
1 Mo |
dec. 20, 2025 |
0 |
||
|
|
pdf |
1 Mo |
dec. 20, 2025 |
0 |
||
|
|
pdf |
897 Ko |
dec. 20, 2025 |
0 |
||
|
|
pdf |
695 Ko |
dec. 20, 2025 |
0 |
||
|
|
pdf |
723 Ko |
dec. 20, 2025 |
0 |
||
|
|
pdf |
973 Ko |
dec. 20, 2025 |
0 |
||
|
|
pdf |
903 Ko |
dec. 20, 2025 |
0 |
||
|
|
pdf |
813 Ko |
dec. 20, 2025 |
0 |
||
|
|
pdf |
654 Ko |
dec. 20, 2025 |
0 |
||
|
|
pdf |
591 Ko |
dec. 20, 2025 |
0 |
||
|
|
pdf |
620 Ko |
dec. 20, 2025 |
0 |
||
|
|
pdf |
569 Ko |
dec. 20, 2025 |
0 |
||
|
|
pdf |
1 Mo |
dec. 20, 2025 |
0 |
||
|
|
pdf |
1 Mo |
dec. 20, 2025 |
0 |
||
|
|
pdf |
1 Mo |
dec. 20, 2025 |
0 |
||
|
|
pdf |
950 Ko |
dec. 20, 2025 |
0 |
||
|
|
pdf |
951 Ko |
dec. 20, 2025 |
0 |
||
|
|
pdf |
941 Ko |
dec. 20, 2025 |
0 |
||
|
|
pdf |
1 Mo |
dec. 20, 2025 |
0 |
||
|
|
pdf |
1 Mo |
dec. 20, 2025 |
0 |
||
|
|
pdf |
608 Ko |
dec. 20, 2025 |
0 |
||
|
|
pdf |
202 Ko |
dec. 20, 2025 |
0 |
||
|
|
pdf |
2 Mo |
dec. 20, 2025 |
0 |
||
|
|
pdf |
1 Mo |
dec. 20, 2025 |
0 |
||
|
|
pdf |
3 Mo |
dec. 20, 2025 |
0 |
||
|
|
pdf |
988 Ko |
dec. 20, 2025 |
0 |
||
|
|
pdf |
500 Ko |
dec. 20, 2025 |
0 |
||
|
|
pdf |
492 Ko |
dec. 20, 2025 |
0 |
||
|
|
pdf |
728 Ko |
dec. 20, 2025 |
0 |
||
|
|
pdf |
389 Ko |
dec. 20, 2025 |
0 |
||
|
|
pdf |
730 Ko |
dec. 20, 2025 |
0 |
||
|
|
pdf |
870 Ko |
dec. 20, 2025 |
0 |
||
|
|
pdf |
2 Mo |
dec. 20, 2025 |
0 |
||
|
|
pdf |
2 Mo |
dec. 20, 2025 |
0 |
||
|
|
pdf |
545 Ko |
dec. 20, 2025 |
0 |
||
|
|
pdf |
545 Ko |
dec. 20, 2025 |
0 |
||
|
|
pdf |
2 Mo |
dec. 20, 2025 |
0 |
||
|
|
pdf |
2 Mo |
dec. 20, 2025 |
0 |
||
|
|
jpg |
833 Ko |
dec. 20, 2025 |
0 |
||
|
|
jpg |
742 Ko |
dec. 20, 2025 |
0 |
||
|
|
jpg |
1.003 Ko |
dec. 20, 2025 |
0 |
||
|
|
jpg |
884 Ko |
dec. 20, 2025 |
0 |
||
|
|
jpg |
753 Ko |
dec. 20, 2025 |
0 |
||
|
|
jpg |
539 Ko |
dec. 20, 2025 |
0 |
||
|
|
jpg |
516 Ko |
dec. 20, 2025 |
0 |
||
|
|
pdf |
1 Mo |
dec. 20, 2025 |
0 |
||
|
|
pdf |
1 Mo |
dec. 20, 2025 |
0 |
||
|
|
jpg |
714 Ko |
dec. 20, 2025 |
0 |
||
|
|
pdf |
683 Ko |
dec. 20, 2025 |
0 |
||
|
|
pdf |
653 Ko |
dec. 20, 2025 |
0 |
||
|
|
pdf |
2 Mo |
dec. 20, 2025 |
0 |
||
|
|
pdf |
2 Mo |
dec. 20, 2025 |
0 |
||
|
|
pdf |
2 Mo |
dec. 20, 2025 |
0 |
||
|
|
pdf |
1 Mo |
dec. 20, 2025 |
0 |
||
|
|
pdf |
1 Mo |
dec. 20, 2025 |
0 |
||
|
|
pdf |
1 Mo |
dec. 20, 2025 |
0 |
||
|
|
pdf |
937 Ko |
dec. 20, 2025 |
0 |
||
|
|
pdf |
947 Ko |
dec. 20, 2025 |
0 |
||
|
|
pdf |
960 Ko |
dec. 20, 2025 |
0 |
||
|
|
pdf |
661 Ko |
dec. 20, 2025 |
0 |
||
|
|
pdf |
1 Mo |
dec. 20, 2025 |
0 |
||
|
|
pdf |
1 Mo |
dec. 20, 2025 |
0 |
||
|
|
pdf |
1 Mo |
dec. 20, 2025 |
0 |
||
|
|
pdf |
938 Ko |
dec. 20, 2025 |
0 |
||
|
|
pdf |
2 Mo |
dec. 20, 2025 |
0 |
||
|
|
pdf |
1 Mo |
dec. 20, 2025 |
0 |
||
|
|
pdf |
1 Mo |
dec. 20, 2025 |
0 |
||
|
|
pdf |
1 Mo |
dec. 20, 2025 |
0 |
||
|
|
pdf |
1 Mo |
dec. 20, 2025 |
0 |
||
|
|
pdf |
2 Mo |
dec. 20, 2025 |
0 |
||
|
|
pdf |
786 Ko |
dec. 20, 2025 |
0 |
||
|
|
pdf |
738 Ko |
dec. 20, 2025 |
0 |
||
|
|
pdf |
237 Ko |
dec. 20, 2025 |
0 |
||
|
|
pdf |
838 Ko |
dec. 20, 2025 |
0 |
||
|
|
pdf |
834 Ko |
dec. 20, 2025 |
0 |
||
|
|
pdf |
793 Ko |
dec. 20, 2025 |
0 |
||
|
|
pdf |
923 Ko |
dec. 20, 2025 |
0 |
||
|
|
pdf |
874 Ko |
dec. 20, 2025 |
0 |
||
|
|
pdf |
866 Ko |
dec. 20, 2025 |
0 |
||
|
|
pdf |
784 Ko |
dec. 20, 2025 |
0 |
||
|
|
pdf |
894 Ko |
dec. 20, 2025 |
0 |
||
|
|
pdf |
1 Mo |
dec. 20, 2025 |
0 |
||
|
|
pdf |
1 Mo |
dec. 20, 2025 |
0 |
||
|
|
pdf |
573 Ko |
dec. 20, 2025 |
0 |
||
|
|
pdf |
532 Ko |
dec. 20, 2025 |
0 |
||
|
|
pdf |
2 Mo |
dec. 20, 2025 |
0 |
||
|
|
pdf |
572 Ko |
dec. 20, 2025 |
0 |
||
|
|
pdf |
537 Ko |
dec. 20, 2025 |
0 |
||
|
|
jpg |
471 Ko |
dec. 20, 2025 |
0 |
||
|
|
jpg |
831 Ko |
dec. 20, 2025 |
0 |
||
|
|
jpg |
696 Ko |
dec. 20, 2025 |
0 |
||
|
|
jpg |
746 Ko |
dec. 20, 2025 |
0 |
||
|
|
pdf |
1.010 Ko |
dec. 20, 2025 |
0 |
||
|
|
pdf |
861 Ko |
dec. 20, 2025 |
0 |
||
|
|
pdf |
2 Mo |
dec. 20, 2025 |
0 |
||
|
|
pdf |
405 Ko |
dec. 20, 2025 |
0 |
||
|
|
pdf |
641 Ko |
dec. 20, 2025 |
0 |
||
|
|
pdf |
231 Ko |
dec. 20, 2025 |
0 |
||
|
|
pdf |
198 Ko |
dec. 20, 2025 |
0 |
||
|
|
pdf |
330 Ko |
dec. 20, 2025 |
0 |
||
|
|
pdf |
504 Ko |
dec. 20, 2025 |
0 |
||
|
|
pdf |
3 Mo |
dec. 20, 2025 |
0 |
||
|
|
pdf |
958 Ko |
dec. 20, 2025 |
0 |
||
|
|
pdf |
254 Ko |
dec. 20, 2025 |
0 |
||
|
|
pdf |
498 Ko |
dec. 20, 2025 |
0 |
||
|
|
pdf |
729 Ko |
dec. 20, 2025 |
0 |
||
|
|
pdf |
273 Ko |
dec. 20, 2025 |
0 |
||
|
|
pdf |
543 Ko |
dec. 20, 2025 |
0 |
||
|
|
pdf |
405 Ko |
dec. 20, 2025 |
0 |
||
|
|
pdf |
381 Ko |
dec. 20, 2025 |
0 |
||
|
|
pdf |
521 Ko |
dec. 20, 2025 |
0 |
||
|
|
pdf |
772 Ko |
dec. 20, 2025 |
0 |
||
|
|
pdf |
585 Ko |
dec. 20, 2025 |
0 |
||
|
|
pdf |
570 Ko |
dec. 20, 2025 |
0 |
||
|
|
pdf |
1 Mo |
dec. 20, 2025 |
0 |
||
|
|
pdf |
1 Mo |
dec. 20, 2025 |
0 |
||
|
|
pdf |
1 Mo |
dec. 20, 2025 |
0 |
||
|
|
pdf |
1 Mo |
dec. 20, 2025 |
0 |
||
|
|
pdf |
1 Mo |
dec. 20, 2025 |
0 |
||
|
|
pdf |
559 Ko |
dec. 20, 2025 |
0 |
||
|
|
pdf |
919 Ko |
dec. 20, 2025 |
0 |
||
|
|
pdf |
1 Mo |
dec. 20, 2025 |
0 |
||
|
|
pdf |
1 Mo |
dec. 20, 2025 |
0 |
||
|
|
pdf |
285 Ko |
dec. 20, 2025 |
0 |
||
|
|
pdf |
495 Ko |
dec. 20, 2025 |
0 |
||
|
|
pdf |
1 Mo |
dec. 20, 2025 |
0 |
||
|
|
pdf |
916 Ko |
dec. 20, 2025 |
0 |
||
|
|
pdf |
685 Ko |
dec. 20, 2025 |
0 |
||
|
|
pdf |
1 Mo |
dec. 20, 2025 |
0 |
||
|
|
pdf |
1.008 Ko |
dec. 20, 2025 |
0 |
||
|
|
pdf |
901 Ko |
dec. 20, 2025 |
0 |
||
|
|
pdf |
446 Ko |
dec. 20, 2025 |
0 |
||
|
|
pdf |
881 Ko |
dec. 20, 2025 |
0 |
||
|
|
pdf |
1 Mo |
dec. 20, 2025 |
0 |
||
|
|
pdf |
870 Ko |
dec. 20, 2025 |
0 |
||
|
|
pdf |
1.017 Ko |
dec. 20, 2025 |
0 |
||
|
|
pdf |
480 Ko |
dec. 20, 2025 |
0 |
||
|
|
pdf |
1 Mo |
dec. 20, 2025 |
0 |
||
|
|
pdf |
871 Ko |
dec. 20, 2025 |
0 |
||
|
|
pdf |
675 Ko |
dec. 20, 2025 |
0 |
||
|
|
pdf |
676 Ko |
dec. 20, 2025 |
0 |
||
|
|
pdf |
954 Ko |
dec. 20, 2025 |
0 |
||
|
|
pdf |
741 Ko |
dec. 20, 2025 |
0 |
||
|
|
pdf |
866 Ko |
dec. 20, 2025 |
0 |
||
|
|
pdf |
991 Ko |
dec. 20, 2025 |
0 |
||
|
|
pdf |
939 Ko |
dec. 20, 2025 |
0 |
||
|
|
pdf |
1 Mo |
dec. 20, 2025 |
0 |
||
|
|
pdf |
1 Mo |
dec. 20, 2025 |
0 |
||
|
|
pdf |
1 Mo |
dec. 20, 2025 |
0 |
||
|
|
pdf |
1 Mo |
dec. 20, 2025 |
0 |
||
|
|
pdf |
999 Ko |
dec. 20, 2025 |
0 |
||
|
|
pdf |
1 Mo |
dec. 20, 2025 |
0 |
||
|
|
pdf |
1 Mo |
dec. 20, 2025 |
0 |
||
|
|
pdf |
901 Ko |
dec. 20, 2025 |
0 |
||
|
|
pdf |
2 Mo |
dec. 20, 2025 |
0 |
||
|
|
pdf |
3 Mo |
dec. 20, 2025 |
0 |
||
|
|
pdf |
2 Mo |
dec. 20, 2025 |
0 |
||
|
|
pdf |
2 Mo |
dec. 20, 2025 |
0 |
||
|
|
pdf |
940 Ko |
dec. 20, 2025 |
0 |
||
|
|
pdf |
2 Mo |
dec. 20, 2025 |
0 |
||
|
|
pdf |
2 Mo |
dec. 20, 2025 |
0 |
||
|
|
pdf |
2 Mo |
dec. 20, 2025 |
0 |
||
|
|
pdf |
1 Mo |
dec. 20, 2025 |
0 |
||
|
|
pdf |
1 Mo |
dec. 20, 2025 |
0 |
||
|
|
pdf |
2 Mo |
dec. 20, 2025 |
0 |
||
|
|
pdf |
2 Mo |
dec. 20, 2025 |
0 |
||
|
|
pdf |
5 Mo |
dec. 20, 2025 |
0 |
||
|
|
pdf |
3 Mo |
dec. 20, 2025 |
0 |
||
|
|
pdf |
4 Mo |
dec. 20, 2025 |
0 |
||
|
|
pdf |
2 Mo |
dec. 20, 2025 |
0 |
||
|
|
pdf |
4 Mo |
dec. 20, 2025 |
0 |
||
|
|
pdf |
4 Mo |
dec. 20, 2025 |
0 |
||
|
|
pdf |
4 Mo |
dec. 20, 2025 |
0 |
||
|
|
pdf |
1 Mo |
dec. 20, 2025 |
0 |
||
|
|
pdf |
1.008 Ko |
dec. 20, 2025 |
0 |
||
|
|
pdf |
918 Ko |
dec. 20, 2025 |
0 |
||
|
|
pdf |
934 Ko |
dec. 20, 2025 |
0 |
||
|
|
pdf |
787 Ko |
dec. 20, 2025 |
0 |
||
|
|
pdf |
1 Mo |
dec. 20, 2025 |
0 |
||
|
|
pdf |
554 Ko |
dec. 20, 2025 |
0 |
||
|
|
pdf |
947 Ko |
dec. 20, 2025 |
0 |
||
|
|
pdf |
479 Ko |
dec. 20, 2025 |
0 |
||
|
|
pdf |
874 Ko |
dec. 20, 2025 |
0 |
||
|
|
pdf |
905 Ko |
dec. 20, 2025 |
0 |
||
|
|
pdf |
301 Ko |
dec. 20, 2025 |
0 |
||
|
|
pdf |
1 Mo |
dec. 20, 2025 |
0 |
||
|
|
pdf |
1 Mo |
dec. 20, 2025 |
0 |
||
|
|
pdf |
1 Mo |
dec. 20, 2025 |
0 |
||
|
|
pdf |
2 Mo |
dec. 20, 2025 |
0 |
||
|
|
pdf |
1.002 Ko |
dec. 20, 2025 |
0 |
||
|
|
pdf |
1 Mo |
dec. 20, 2025 |
0 |
||
|
|
pdf |
1 Mo |
dec. 20, 2025 |
0 |
||
|
|
pdf |
2 Mo |
dec. 20, 2025 |
0 |
||
|
|
pdf |
802 Ko |
dec. 20, 2025 |
0 |
||
|
|
pdf |
877 Ko |
dec. 20, 2025 |
0 |
||
|
|
pdf |
770 Ko |
dec. 20, 2025 |
0 |
||
|
|
pdf |
770 Ko |
dec. 20, 2025 |
0 |
||
|
|
pdf |
1 Mo |
dec. 20, 2025 |
0 |
||
|
|
pdf |
1 Mo |
dec. 20, 2025 |
0 |
||
|
|
pdf |
1 Mo |
dec. 20, 2025 |
0 |
||
|
|
pdf |
1 Mo |
dec. 20, 2025 |
0 |
||
|
|
pdf |
814 Ko |
dec. 20, 2025 |
0 |
||
|
|
pdf |
815 Ko |
dec. 20, 2025 |
0 |
||
|
|
pdf |
651 Ko |
dec. 20, 2025 |
0 |
||
|
|
pdf |
1 Mo |
dec. 20, 2025 |
0 |
||
|
|
pdf |
469 Ko |
dec. 20, 2025 |
0 |
||
|
|
pdf |
1.003 Ko |
dec. 20, 2025 |
0 |
||
|
|
pdf |
1 Mo |
dec. 20, 2025 |
0 |
||
|
|
pdf |
797 Ko |
dec. 20, 2025 |
0 |
||
|
|
pdf |
829 Ko |
dec. 20, 2025 |
0 |
||
|
|
pdf |
844 Ko |
dec. 20, 2025 |
0 |
||
|
|
pdf |
652 Ko |
dec. 20, 2025 |
0 |
||
|
|
pdf |
1 Mo |
dec. 20, 2025 |
0 |
||
|
|
pdf |
1 Mo |
dec. 20, 2025 |
0 |
||
|
|
pdf |
957 Ko |
dec. 20, 2025 |
0 |
||
|
|
pdf |
969 Ko |
dec. 20, 2025 |
0 |
||
|
|
pdf |
859 Ko |
dec. 20, 2025 |
0 |
||
|
|
pdf |
1 Mo |
dec. 20, 2025 |
0 |
||
|
|
pdf |
1 Mo |
dec. 20, 2025 |
0 |
||
|
|
pdf |
1 Mo |
dec. 20, 2025 |
0 |
||
|
|
pdf |
954 Ko |
dec. 20, 2025 |
0 |
||
|
|
pdf |
1 Mo |
dec. 20, 2025 |
0 |
||
|
|
pdf |
794 Ko |
dec. 20, 2025 |
0 |
||
|
|
pdf |
849 Ko |
dec. 20, 2025 |
0 |
||
|
|
pdf |
1 Mo |
dec. 20, 2025 |
0 |
||
|
|
pdf |
1 Mo |
dec. 20, 2025 |
0 |
||
|
|
pdf |
1 Mo |
dec. 20, 2025 |
0 |
||
|
|
pdf |
972 Ko |
dec. 20, 2025 |
0 |
||
|
|
pdf |
762 Ko |
dec. 20, 2025 |
0 |
||
|
|
pdf |
1 Mo |
dec. 20, 2025 |
0 |
||
|
|
pdf |
1 Mo |
dec. 20, 2025 |
0 |
||
|
|
pdf |
1 Mo |
dec. 20, 2025 |
0 |
||
|
|
pdf |
1 Mo |
dec. 20, 2025 |
0 |
||
|
|
pdf |
1 Mo |
dec. 20, 2025 |
0 |
||
|
|
pdf |
1 Mo |
dec. 20, 2025 |
0 |
||
|
|
pdf |
1 Mo |
dec. 20, 2025 |
0 |
||
|
|
pdf |
1 Mo |
dec. 20, 2025 |
0 |
||
|
|
pdf |
1 Mo |
dec. 20, 2025 |
0 |
||
|
|
pdf |
1 Mo |
dec. 20, 2025 |
0 |
||
|
|
pdf |
1 Mo |
dec. 20, 2025 |
0 |
||
|
|
pdf |
1 Mo |
dec. 20, 2025 |
0 |
||
|
|
pdf |
1 Mo |
dec. 20, 2025 |
0 |
||
|
|
pdf |
604 Ko |
dec. 20, 2025 |
0 |
||
|
|
pdf |
1 Mo |
dec. 20, 2025 |
0 |
||
|
|
pdf |
893 Ko |
dec. 20, 2025 |
0 |
||
|
|
pdf |
1 Mo |
dec. 20, 2025 |
0 |
||
|
|
pdf |
1 Mo |
dec. 20, 2025 |
0 |
||
|
|
pdf |
1 Mo |
dec. 20, 2025 |
0 |
||
|
|
pdf |
582 Ko |
dec. 20, 2025 |
0 |
||
|
|
pdf |
2 Mo |
dec. 20, 2025 |
0 |
||
|
|
pdf |
595 Ko |
dec. 20, 2025 |
0 |
||
|
|
pdf |
582 Ko |
dec. 20, 2025 |
0 |
||
|
|
pdf |
1.007 Ko |
dec. 20, 2025 |
0 |
||
|
|
pdf |
1.007 Ko |
dec. 20, 2025 |
0 |
||
|
|
pdf |
336 Ko |
dec. 20, 2025 |
0 |
||
|
|
pdf |
2 Mo |
dec. 20, 2025 |
0 |
||
|
|
pdf |
2 Mo |
dec. 20, 2025 |
0 |
||
|
|
pdf |
780 Ko |
dec. 20, 2025 |
0 |
||
|
|
pdf |
546 Ko |
dec. 20, 2025 |
0 |
||
|
|
pdf |
526 Ko |
dec. 20, 2025 |
0 |
||
|
|
pdf |
943 Ko |
dec. 20, 2025 |
0 |
||
|
|
pdf |
421 Ko |
dec. 20, 2025 |
0 |
||
|
|
pdf |
380 Ko |
dec. 20, 2025 |
0 |
||
|
|
pdf |
380 Ko |
dec. 20, 2025 |
0 |
||
|
|
pdf |
518 Ko |
dec. 20, 2025 |
0 |
||
|
|
pdf |
518 Ko |
dec. 20, 2025 |
0 |
||
|
|
pdf |
835 Ko |
dec. 20, 2025 |
0 |
||
|
|
pdf |
984 Ko |
dec. 20, 2025 |
0 |
||
|
|
pdf |
407 Ko |
dec. 20, 2025 |
0 |
||
|
|
pdf |
765 Ko |
dec. 20, 2025 |
0 |
||
|
|
pdf |
749 Ko |
dec. 20, 2025 |
0 |
||
|
|
pdf |
772 Ko |
dec. 20, 2025 |
0 |
||
|
|
pdf |
2 Mo |
dec. 20, 2025 |
0 |
||
|
|
pdf |
1 Mo |
dec. 20, 2025 |
0 |
||
|
|
pdf |
636 Ko |
dec. 20, 2025 |
0 |
||
|
|
pdf |
477 Ko |
dec. 20, 2025 |
0 |
||
|
|
pdf |
477 Ko |
dec. 20, 2025 |
0 |
||
|
|
pdf |
477 Ko |
dec. 20, 2025 |
0 |
||
|
|
pdf |
489 Ko |
dec. 20, 2025 |
0 |
||
|
|
pdf |
399 Ko |
dec. 20, 2025 |
0 |
||
|
|
pdf |
399 Ko |
dec. 20, 2025 |
0 |
||
|
|
pdf |
393 Ko |
dec. 20, 2025 |
0 |
||
|
|
pdf |
815 Ko |
dec. 20, 2025 |
0 |
||
|
|
pdf |
407 Ko |
dec. 20, 2025 |
0 |
||
|
|
pdf |
418 Ko |
dec. 20, 2025 |
0 |
||
|
|
pdf |
371 Ko |
dec. 20, 2025 |
0 |
||
|
|
pdf |
394 Ko |
dec. 20, 2025 |
0 |
||
|
|
pdf |
465 Ko |
dec. 20, 2025 |
0 |
||
|
|
pdf |
516 Ko |
dec. 20, 2025 |
0 |
||
|
|
pdf |
372 Ko |
dec. 20, 2025 |
0 |
||
|
|
pdf |
505 Ko |
dec. 20, 2025 |
0 |
||
|
|
pdf |
485 Ko |
dec. 20, 2025 |
0 |
||
|
|
pdf |
950 Ko |
dec. 20, 2025 |
0 |
||
|
|
pdf |
2 Mo |
dec. 20, 2025 |
0 |
||
|
|
pdf |
909 Ko |
dec. 20, 2025 |
0 |
||
|
|
pdf |
755 Ko |
dec. 20, 2025 |
0 |
||
|
|
pdf |
722 Ko |
dec. 20, 2025 |
0 |
||
|
|
pdf |
423 Ko |
dec. 20, 2025 |
0 |
||
|
|
pdf |
428 Ko |
dec. 20, 2025 |
0 |
||
|
|
pdf |
448 Ko |
dec. 20, 2025 |
0 |
||
|
|
pdf |
305 Ko |
dec. 20, 2025 |
0 |
||
|
|
pdf |
799 Ko |
dec. 20, 2025 |
0 |
||
|
|
pdf |
787 Ko |
dec. 20, 2025 |
0 |
||
|
|
pdf |
436 Ko |
dec. 20, 2025 |
0 |
||
|
|
pdf |
352 Ko |
dec. 20, 2025 |
0 |
||
|
|
pdf |
352 Ko |
dec. 20, 2025 |
0 |
||
|
|
pdf |
516 Ko |
dec. 20, 2025 |
0 |
||
|
|
pdf |
4 Mo |
dec. 20, 2025 |
0 |
||
|
|
pdf |
545 Ko |
dec. 20, 2025 |
0 |
||
|
|
pdf |
706 Ko |
dec. 20, 2025 |
0 |
||
|
|
pdf |
484 Ko |
dec. 20, 2025 |
0 |
||
|
|
pdf |
480 Ko |
dec. 20, 2025 |
0 |
||
|
|
pdf |
464 Ko |
dec. 20, 2025 |
0 |
||
|
|
pdf |
1 Mo |
dec. 20, 2025 |
0 |
||
|
|
pdf |
1 Mo |
dec. 20, 2025 |
0 |
||
|
|
pdf |
1 Mo |
dec. 20, 2025 |
0 |
||
|
|
pdf |
540 Ko |
dec. 20, 2025 |
0 |
||
|
|
pdf |
320 Ko |
dec. 20, 2025 |
0 |
||
|
|
pdf |
483 Ko |
dec. 20, 2025 |
0 |
||
|
|
pdf |
264 Ko |
dec. 20, 2025 |
0 |
||
|
|
pdf |
367 Ko |
dec. 20, 2025 |
0 |
||
|
|
pdf |
341 Ko |
dec. 20, 2025 |
0 |
||
|
|
pdf |
415 Ko |
dec. 20, 2025 |
0 |
||
|
|
pdf |
689 Ko |
dec. 20, 2025 |
0 |
||
|
|
pdf |
843 Ko |
dec. 20, 2025 |
0 |
||
|
|
pdf |
405 Ko |
dec. 20, 2025 |
0 |
||
|
|
pdf |
384 Ko |
dec. 20, 2025 |
0 |
||
|
|
pdf |
264 Ko |
dec. 20, 2025 |
0 |
||
|
|
pdf |
577 Ko |
dec. 20, 2025 |
0 |
||
|
|
pdf |
246 Ko |
dec. 20, 2025 |
0 |
||
|
|
pdf |
432 Ko |
dec. 20, 2025 |
0 |
||
|
|
pdf |
518 Ko |
dec. 20, 2025 |
0 |
||
|
|
pdf |
2 Mo |
dec. 20, 2025 |
0 |
||
|
|
pdf |
2 Mo |
dec. 20, 2025 |
0 |
||
|
|
pdf |
2 Mo |
dec. 20, 2025 |
0 |
||
|
|
pdf |
2 Mo |
dec. 20, 2025 |
0 |
||
|
|
pdf |
2 Mo |
dec. 20, 2025 |
0 |
||
|
|
pdf |
3 Mo |
dec. 20, 2025 |
0 |
||
|
|
pdf |
3 Mo |
dec. 20, 2025 |
0 |
||
|
|
pdf |
2 Mo |
dec. 20, 2025 |
0 |
||
|
|
pdf |
2 Mo |
dec. 20, 2025 |
0 |
||
|
|
pdf |
3 Mo |
dec. 20, 2025 |
0 |
||
|
|
pdf |
3 Mo |
dec. 20, 2025 |
0 |
||
|
|
pdf |
3 Mo |
dec. 20, 2025 |
0 |
||
|
|
pdf |
3 Mo |
dec. 20, 2025 |
0 |
||
|
|
pdf |
2 Mo |
dec. 20, 2025 |
0 |
||
|
|
pdf |
1 Mo |
dec. 20, 2025 |
0 |
||
|
|
pdf |
1 Mo |
dec. 20, 2025 |
0 |
||
|
|
pdf |
3 Mo |
dec. 20, 2025 |
0 |
||
|
|
pdf |
2 Mo |
dec. 20, 2025 |
0 |
||
|
|
pdf |
2 Mo |
dec. 20, 2025 |
0 |
||
|
|
pdf |
2 Mo |
dec. 20, 2025 |
0 |
||
|
|
pdf |
3 Mo |
dec. 20, 2025 |
0 |
||
|
|
pdf |
3 Mo |
dec. 20, 2025 |
0 |
||
|
|
pdf |
1 Mo |
dec. 20, 2025 |
0 |
||
|
|
pdf |
3 Mo |
dec. 20, 2025 |
0 |
||
|
|
pdf |
3 Mo |
dec. 20, 2025 |
0 |
||
|
|
pdf |
1 Mo |
dec. 20, 2025 |
0 |
||
|
|
pdf |
1 Mo |
dec. 20, 2025 |
0 |
||
|
|
pdf |
933 Ko |
dec. 20, 2025 |
0 |
||
|
|
pdf |
1 Mo |
dec. 20, 2025 |
0 |
||
|
|
pdf |
1 Mo |
dec. 20, 2025 |
0 |
||
|
|
pdf |
427 Ko |
dec. 20, 2025 |
0 |
||
|
|
pdf |
545 Ko |
dec. 20, 2025 |
0 |
||
|
|
pdf |
884 Ko |
dec. 20, 2025 |
0 |
||
|
|
pdf |
1 Mo |
dec. 20, 2025 |
0 |
||
|
|
pdf |
1 Mo |
dec. 20, 2025 |
0 |
||
|
|
pdf |
999 Ko |
dec. 20, 2025 |
0 |
||
|
|
pdf |
538 Ko |
dec. 20, 2025 |
0 |
||
|
|
pdf |
531 Ko |
dec. 20, 2025 |
0 |
||
|
|
pdf |
812 Ko |
dec. 20, 2025 |
0 |
||
|
|
pdf |
1 Mo |
dec. 20, 2025 |
0 |
||
|
|
pdf |
3 Mo |
dec. 20, 2025 |
0 |
||
|
|
pdf |
863 Ko |
dec. 20, 2025 |
0 |
||
|
|
pdf |
1 Mo |
dec. 20, 2025 |
0 |
||
|
|
pdf |
1 Mo |
dec. 20, 2025 |
0 |
||
|
|
pdf |
858 Ko |
dec. 20, 2025 |
0 |
||
|
|
pdf |
290 Ko |
dec. 20, 2025 |
0 |
||
|
|
pdf |
583 Ko |
dec. 20, 2025 |
0 |
||
|
|
pdf |
803 Ko |
dec. 20, 2025 |
0 |
||
|
|
pdf |
768 Ko |
dec. 20, 2025 |
0 |
||
|
|
pdf |
768 Ko |
dec. 20, 2025 |
0 |
||
|
|
pdf |
618 Ko |
dec. 20, 2025 |
0 |
||
|
|
pdf |
610 Ko |
dec. 20, 2025 |
0 |
||
|
|
pdf |
3 Mo |
dec. 20, 2025 |
0 |
||
|
|
pdf |
497 Ko |
dec. 20, 2025 |
0 |
||
|
|
pdf |
994 Ko |
dec. 20, 2025 |
0 |
||
|
|
pdf |
981 Ko |
dec. 20, 2025 |
0 |
||
|
|
pdf |
981 Ko |
dec. 20, 2025 |
0 |
||
|
|
pdf |
2 Mo |
dec. 20, 2025 |
0 |
||
|
|
pdf |
2 Mo |
dec. 20, 2025 |
0 |
||
|
|
pdf |
478 Ko |
dec. 20, 2025 |
0 |
||
|
|
pdf |
1 Mo |
dec. 20, 2025 |
0 |
||
|
|
pdf |
1 Mo |
dec. 20, 2025 |
0 |
||
|
|
pdf |
1 Mo |
dec. 20, 2025 |
0 |
||
|
|
pdf |
1 Mo |
dec. 20, 2025 |
0 |
||
|
|
pdf |
1 Mo |
dec. 20, 2025 |
0 |
||
|
|
pdf |
1 Mo |
dec. 20, 2025 |
0 |
||
|
|
pdf |
1 Mo |
dec. 20, 2025 |
0 |
||
|
|
pdf |
1 Mo |
dec. 20, 2025 |
0 |
||
|
|
pdf |
3 Mo |
dec. 20, 2025 |
0 |
||
|
|
pdf |
1 Mo |
dec. 20, 2025 |
0 |
||
|
|
pdf |
938 Ko |
dec. 20, 2025 |
0 |
||
|
|
pdf |
907 Ko |
dec. 20, 2025 |
0 |
||
|
|
pdf |
535 Ko |
dec. 20, 2025 |
0 |
||
|
|
pdf |
2 Mo |
dec. 20, 2025 |
0 |
||
|
|
pdf |
1 Mo |
dec. 20, 2025 |
0 |
||
|
|
pdf |
1 Mo |
dec. 20, 2025 |
0 |
||
|
|
pdf |
394 Ko |
dec. 20, 2025 |
0 |
||
|
|
pdf |
907 Ko |
dec. 20, 2025 |
0 |
||
|
|
pdf |
1 Mo |
dec. 20, 2025 |
0 |
||
|
|
pdf |
1.021 Ko |
dec. 20, 2025 |
0 |
||
|
|
pdf |
886 Ko |
dec. 20, 2025 |
0 |
||
|
|
pdf |
687 Ko |
dec. 20, 2025 |
0 |
||
|
|
pdf |
1 Mo |
dec. 20, 2025 |
0 |
||
|
|
pdf |
609 Ko |
dec. 20, 2025 |
0 |
||
|
|
pdf |
556 Ko |
dec. 20, 2025 |
0 |
||
|
|
pdf |
1 Mo |
dec. 20, 2025 |
0 |
||
|
|
pdf |
1 Mo |
dec. 20, 2025 |
0 |
||
|
|
pdf |
1 Mo |
dec. 20, 2025 |
0 |
||
|
|
pdf |
1 Mo |
dec. 20, 2025 |
0 |
||
|
|
pdf |
536 Ko |
dec. 20, 2025 |
0 |
||
|
|
pdf |
925 Ko |
dec. 20, 2025 |
0 |
||
|
|
pdf |
1 Mo |
dec. 20, 2025 |
0 |
||
|
|
pdf |
407 Ko |
dec. 20, 2025 |
0 |
||
|
|
pdf |
807 Ko |
dec. 20, 2025 |
0 |
||
|
|
pdf |
925 Ko |
dec. 20, 2025 |
0 |
||
|
|
pdf |
470 Ko |
dec. 20, 2025 |
0 |
||
|
|
pdf |
953 Ko |
dec. 20, 2025 |
0 |
||
|
|
pdf |
921 Ko |
dec. 20, 2025 |
0 |
||
|
|
pdf |
535 Ko |
dec. 20, 2025 |
0 |
||
|
|
pdf |
1 Mo |
dec. 20, 2025 |
0 |
||
|
|
pdf |
830 Ko |
dec. 20, 2025 |
0 |
||
|
|
pdf |
1 Mo |
dec. 20, 2025 |
0 |
||
|
|
pdf |
1 Mo |
dec. 20, 2025 |
0 |
||
|
|
pdf |
1.012 Ko |
dec. 20, 2025 |
0 |
||
|
|
pdf |
1 Mo |
dec. 20, 2025 |
0 |
||
|
|
pdf |
370 Ko |
dec. 20, 2025 |
0 |
||
|
|
pdf |
948 Ko |
dec. 20, 2025 |
0 |
||
|
|
pdf |
1 Mo |
dec. 20, 2025 |
0 |
||
|
|
pdf |
1 Mo |
dec. 20, 2025 |
0 |
||
|
|
pdf |
1 Mo |
dec. 20, 2025 |
0 |
||
|
|
pdf |
753 Ko |
dec. 20, 2025 |
0 |
||
|
|
pdf |
419 Ko |
dec. 20, 2025 |
0 |
||
|
|
pdf |
419 Ko |
dec. 20, 2025 |
0 |
||
|
|
pdf |
714 Ko |
dec. 20, 2025 |
0 |
||
|
|
pdf |
301 Ko |
dec. 20, 2025 |
0 |
||
|
|
pdf |
437 Ko |
dec. 20, 2025 |
0 |
||
|
|
pdf |
859 Ko |
dec. 20, 2025 |
0 |
||
|
|
pdf |
327 Ko |
dec. 20, 2025 |
0 |
||
|
|
pdf |
441 Ko |
dec. 20, 2025 |
0 |
||
|
|
pdf |
823 Ko |
dec. 20, 2025 |
0 |
||
|
|
pdf |
837 Ko |
dec. 20, 2025 |
0 |
||
|
|
pdf |
582 Ko |
dec. 20, 2025 |
0 |
||
|
|
pdf |
504 Ko |
dec. 20, 2025 |
0 |
||
|
|
pdf |
504 Ko |
dec. 20, 2025 |
0 |
||
|
|
pdf |
576 Ko |
dec. 20, 2025 |
0 |
||
|
|
pdf |
474 Ko |
dec. 20, 2025 |
0 |
||
|
|
pdf |
383 Ko |
dec. 20, 2025 |
0 |
||
|
|
pdf |
295 Ko |
dec. 20, 2025 |
0 |
||
|
|
pdf |
4 Mo |
dec. 20, 2025 |
0 |
||
|
|
pdf |
864 Ko |
dec. 20, 2025 |
0 |
||
|
|
pdf |
864 Ko |
dec. 20, 2025 |
0 |
||
|
|
pdf |
534 Ko |
dec. 20, 2025 |
0 |
||
|
|
pdf |
2 Mo |
dec. 20, 2025 |
0 |
||
|
|
pdf |
1 Mo |
dec. 20, 2025 |
0 |
||
|
|
pdf |
415 Ko |
dec. 20, 2025 |
0 |
||
|
|
pdf |
415 Ko |
dec. 20, 2025 |
0 |
||
|
|
pdf |
387 Ko |
dec. 20, 2025 |
0 |
||
|
|
pdf |
331 Ko |
dec. 20, 2025 |
0 |
||
|
|
pdf |
349 Ko |
dec. 20, 2025 |
0 |
||
|
|
pdf |
349 Ko |
dec. 20, 2025 |
0 |
||
|
|
pdf |
447 Ko |
dec. 20, 2025 |
0 |
||
|
|
pdf |
447 Ko |
dec. 20, 2025 |
0 |
||
|
|
pdf |
412 Ko |
dec. 20, 2025 |
0 |
||
|
|
pdf |
316 Ko |
dec. 20, 2025 |
0 |
||
|
|
pdf |
316 Ko |
dec. 20, 2025 |
0 |
||
|
|
pdf |
316 Ko |
dec. 20, 2025 |
0 |
||
|
|
pdf |
935 Ko |
dec. 20, 2025 |
0 |
||
|
|
pdf |
378 Ko |
dec. 20, 2025 |
0 |
||
|
|
pdf |
667 Ko |
dec. 20, 2025 |
0 |
||
|
|
pdf |
667 Ko |
dec. 20, 2025 |
0 |
||
|
|
pdf |
561 Ko |
dec. 20, 2025 |
0 |
||
|
|
pdf |
561 Ko |
dec. 20, 2025 |
0 |
||
|
|
pdf |
268 Ko |
dec. 20, 2025 |
0 |
||
|
|
pdf |
392 Ko |
dec. 20, 2025 |
0 |
||
|
|
pdf |
5 Mo |
dec. 20, 2025 |
0 |
||
|
|
pdf |
5 Mo |
dec. 20, 2025 |
0 |
||
|
|
pdf |
5 Mo |
dec. 20, 2025 |
0 |
||
|
|
pdf |
4 Mo |
dec. 20, 2025 |
0 |
||
|
|
pdf |
3 Mo |
dec. 20, 2025 |
0 |
||
|
|
pdf |
2 Mo |
dec. 20, 2025 |
0 |
||
|
|
pdf |
456 Ko |
dec. 20, 2025 |
0 |
||
|
|
pdf |
435 Ko |
dec. 20, 2025 |
0 |
||
|
|
pdf |
746 Ko |
dec. 20, 2025 |
0 |
||
|
|
pdf |
676 Ko |
dec. 20, 2025 |
0 |
||
|
|
pdf |
506 Ko |
dec. 20, 2025 |
0 |
||
|
|
pdf |
516 Ko |
dec. 20, 2025 |
0 |
||
|
|
pdf |
483 Ko |
dec. 20, 2025 |
0 |
||
|
|
pdf |
539 Ko |
dec. 20, 2025 |
0 |
||
|
|
pdf |
423 Ko |
dec. 20, 2025 |
0 |
||
|
|
pdf |
699 Ko |
dec. 20, 2025 |
0 |
||
|
|
pdf |
338 Ko |
dec. 20, 2025 |
0 |
||
|
|
pdf |
1 Mo |
dec. 20, 2025 |
0 |
||
|
|
pdf |
744 Ko |
dec. 20, 2025 |
0 |
||
|
|
pdf |
629 Ko |
dec. 20, 2025 |
0 |
||
|
|
pdf |
992 Ko |
dec. 20, 2025 |
0 |
||
|
|
pdf |
992 Ko |
dec. 20, 2025 |
0 |
||
|
|
pdf |
868 Ko |
dec. 20, 2025 |
0 |
||
|
|
pdf |
319 Ko |
dec. 20, 2025 |
0 |
||
|
|
pdf |
686 Ko |
dec. 20, 2025 |
0 |
||
|
|
pdf |
506 Ko |
dec. 20, 2025 |
0 |
||
|
|
pdf |
769 Ko |
dec. 20, 2025 |
0 |
||
|
|
pdf |
746 Ko |
dec. 20, 2025 |
0 |
||
|
|
pdf |
361 Ko |
dec. 20, 2025 |
0 |
||
|
|
pdf |
696 Ko |
dec. 20, 2025 |
0 |
||
|
|
pdf |
405 Ko |
dec. 20, 2025 |
0 |
||
|
|
pdf |
310 Ko |
dec. 20, 2025 |
0 |
||
|
|
pdf |
536 Ko |
dec. 20, 2025 |
0 |
||
|
|
pdf |
311 Ko |
dec. 20, 2025 |
0 |
||
|
|
pdf |
798 Ko |
dec. 20, 2025 |
0 |
||
|
|
pdf |
758 Ko |
dec. 20, 2025 |
0 |
||
|
|
pdf |
1 Mo |
dec. 20, 2025 |
0 |
||
|
|
pdf |
472 Ko |
dec. 20, 2025 |
0 |
||
|
|
pdf |
2 Mo |
dec. 20, 2025 |
0 |
||
|
|
pdf |
3 Mo |
dec. 20, 2025 |
0 |
||
|
|
pdf |
742 Ko |
dec. 20, 2025 |
0 |
||
|
|
pdf |
1.012 Ko |
dec. 20, 2025 |
0 |
||
|
|
pdf |
507 Ko |
dec. 20, 2025 |
0 |
||
|
|
pdf |
736 Ko |
dec. 20, 2025 |
0 |
||
|
|
pdf |
1 Mo |
dec. 20, 2025 |
0 |
||
|
|
pdf |
560 Ko |
dec. 20, 2025 |
0 |
||
|
|
pdf |
560 Ko |
dec. 20, 2025 |
0 |
||
|
|
pdf |
826 Ko |
dec. 20, 2025 |
0 |
||
|
|
pdf |
475 Ko |
dec. 20, 2025 |
0 |
||
|
|
pdf |
462 Ko |
dec. 20, 2025 |
0 |
||
|
|
pdf |
334 Ko |
dec. 20, 2025 |
0 |
||
|
|
pdf |
767 Ko |
dec. 20, 2025 |
0 |
||
|
|
pdf |
1 Mo |
dec. 20, 2025 |
0 |
||
|
|
pdf |
2 Mo |
dec. 20, 2025 |
0 |
||
|
|
pdf |
2 Mo |
dec. 20, 2025 |
0 |
||
|
|
pdf |
371 Ko |
dec. 20, 2025 |
0 |
||
|
|
pdf |
1 Mo |
dec. 20, 2025 |
0 |
||
|
|
pdf |
804 Ko |
dec. 20, 2025 |
0 |
||
|
|
pdf |
309 Ko |
dec. 20, 2025 |
0 |
||
|
|
pdf |
299 Ko |
dec. 20, 2025 |
0 |
||
|
|
pdf |
313 Ko |
dec. 20, 2025 |
0 |
||
|
|
pdf |
530 Ko |
dec. 20, 2025 |
0 |
||
|
|
pdf |
342 Ko |
dec. 20, 2025 |
0 |
||
|
|
pdf |
455 Ko |
dec. 20, 2025 |
0 |
||
|
|
pdf |
282 Ko |
dec. 20, 2025 |
0 |
||
|
|
pdf |
433 Ko |
dec. 20, 2025 |
0 |
||
|
|
pdf |
400 Ko |
dec. 20, 2025 |
0 |
||
|
|
pdf |
292 Ko |
dec. 20, 2025 |
0 |
||
|
|
pdf |
356 Ko |
dec. 20, 2025 |
0 |
||
|
|
pdf |
285 Ko |
dec. 20, 2025 |
0 |
||
|
|
pdf |
401 Ko |
dec. 20, 2025 |
0 |
||
|
|
pdf |
273 Ko |
dec. 20, 2025 |
0 |
||
|
|
pdf |
510 Ko |
dec. 20, 2025 |
0 |
||
|
|
pdf |
759 Ko |
dec. 20, 2025 |
0 |
||
|
|
pdf |
470 Ko |
dec. 20, 2025 |
0 |
||
|
|
pdf |
465 Ko |
dec. 20, 2025 |
0 |
||
|
|
pdf |
772 Ko |
dec. 20, 2025 |
0 |
||
|
|
pdf |
445 Ko |
dec. 20, 2025 |
0 |
||
|
|
pdf |
917 Ko |
dec. 20, 2025 |
0 |
||
|
|
pdf |
143 Ko |
dec. 20, 2025 |
0 |
||
|
|
pdf |
489 Ko |
dec. 20, 2025 |
0 |
||
|
|
pdf |
292 Ko |
dec. 20, 2025 |
0 |
||
|
|
pdf |
334 Ko |
dec. 20, 2025 |
0 |
||
|
|
pdf |
331 Ko |
dec. 20, 2025 |
0 |
||
|
|
pdf |
331 Ko |
dec. 20, 2025 |
0 |
||
|
|
pdf |
1 Mo |
dec. 20, 2025 |
0 |
||
|
|
pdf |
1 Mo |
dec. 20, 2025 |
0 |
||
|
|
pdf |
279 Ko |
dec. 20, 2025 |
0 |
||
|
|
pdf |
850 Ko |
dec. 20, 2025 |
0 |
||
|
|
pdf |
851 Ko |
dec. 20, 2025 |
0 |
||
|
|
pdf |
299 Ko |
dec. 20, 2025 |
0 |
||
|
|
pdf |
331 Ko |
dec. 20, 2025 |
0 |
||
|
|
pdf |
336 Ko |
dec. 20, 2025 |
0 |
||
|
|
pdf |
406 Ko |
dec. 20, 2025 |
0 |
||
|
|
pdf |
241 Ko |
dec. 20, 2025 |
0 |
||
|
|
pdf |
273 Ko |
dec. 20, 2025 |
0 |
||
|
|
pdf |
319 Ko |
dec. 20, 2025 |
0 |
||
|
|
pdf |
267 Ko |
dec. 20, 2025 |
0 |
||
|
|
pdf |
312 Ko |
dec. 20, 2025 |
0 |
||
|
|
pdf |
1 Mo |
dec. 20, 2025 |
0 |
||
|
|
pdf |
350 Ko |
dec. 20, 2025 |
0 |
||
|
|
pdf |
218 Ko |
dec. 20, 2025 |
0 |
||
|
|
pdf |
394 Ko |
dec. 20, 2025 |
0 |
||
|
|
pdf |
456 Ko |
dec. 20, 2025 |
0 |
||
|
|
pdf |
411 Ko |
dec. 20, 2025 |
0 |
||
|
|
pdf |
410 Ko |
dec. 20, 2025 |
0 |
||
|
|
pdf |
355 Ko |
dec. 20, 2025 |
0 |
||
|
|
pdf |
1 Mo |
dec. 20, 2025 |
0 |
||
|
|
pdf |
1 Mo |
dec. 20, 2025 |
0 |
||
|
|
pdf |
800 Ko |
dec. 20, 2025 |
0 |
||
|
|
pdf |
717 Ko |
dec. 20, 2025 |
0 |
||
|
|
pdf |
331 Ko |
dec. 20, 2025 |
0 |
||
|
|
pdf |
480 Ko |
dec. 20, 2025 |
0 |
||
|
|
pdf |
305 Ko |
dec. 20, 2025 |
0 |
||
|
|
pdf |
355 Ko |
dec. 20, 2025 |
0 |
||
|
|
pdf |
454 Ko |
dec. 20, 2025 |
0 |
||
|
|
pdf |
370 Ko |
dec. 20, 2025 |
0 |
||
|
|
pdf |
314 Ko |
dec. 20, 2025 |
0 |
||
|
|
pdf |
294 Ko |
dec. 20, 2025 |
0 |
||
|
|
pdf |
210 Ko |
dec. 20, 2025 |
0 |
||
|
|
pdf |
3 Mo |
dec. 20, 2025 |
0 |
||
|
|
pdf |
3 Mo |
dec. 20, 2025 |
0 |
||
|
|
pdf |
448 Ko |
dec. 20, 2025 |
0 |
||
|
|
pdf |
2 Mo |
dec. 20, 2025 |
0 |
||
|
|
pdf |
833 Ko |
dec. 20, 2025 |
0 |
||
|
|
pdf |
905 Ko |
dec. 20, 2025 |
0 |


























































































































































































































































































































































































































































































































































































































































































































































































































































